JJ901-芯柱机支座加工工艺及钻M8螺纹孔夹具设计
JJ900-压紧套筒加工工艺及车端面外圆夹具设计[含工艺流程图]
JJ899-摇臂轴加工工艺及钻φ21底孔夹具设计
K1074-油阀座加工工艺及钻Φ10.5孔,扩Φ16孔夹具设计
JJ897-圆盘加工工艺及车φ55内孔夹具设计
JJ896-支架零件的加工工艺及钻M6螺纹孔夹具设计
JJ895-前刹车调整臂外壳工艺及钻φ12孔夹具设计
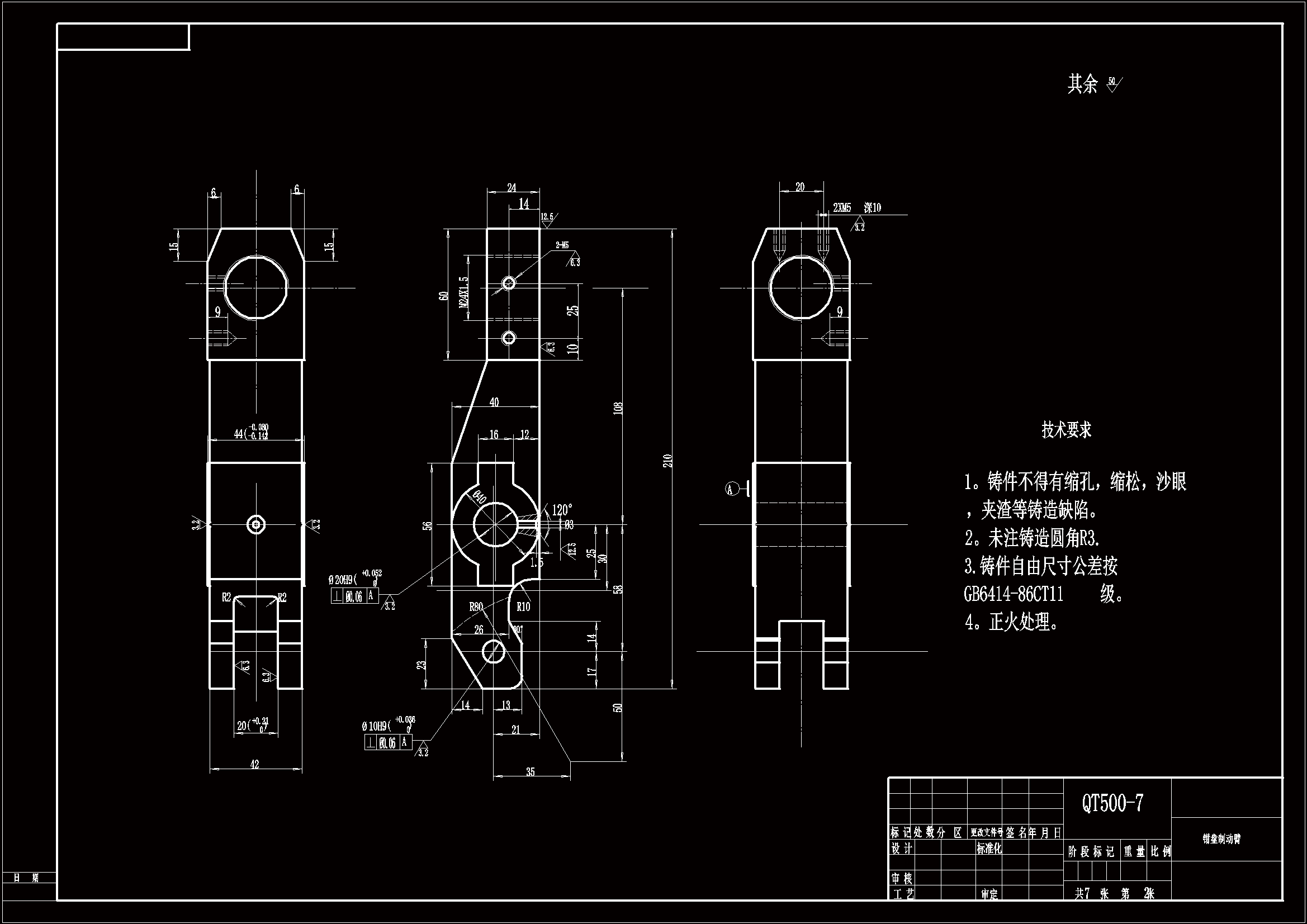
Q622-钳盘制动臂机械加工工艺及钻2-M5螺纹孔夹具设计
JJ893-车床套机械加工工艺及钻φ8孔夹具设计
JJ892-KCSJ-02套筒座加工工艺及钻50孔夹具设计
JJ891-KCSJ-02套筒座加工工艺及车50孔夹具设计
Z368-KCSJ-02套筒座加工工艺及铣左右端面夹具设计【保证尺寸150】
JJ889-套筒座机械加工工艺及镗φ50孔夹具设计[含SW三维图]
JJ888-圆盘机械加工工艺及钻2-M3螺纹孔夹具设计
JJ887-圆盘机械加工工艺及钻3-φ12孔夹具设计
JJ886-C6163摇杆机械加工工艺规程及钻φ12孔夹具设计
JJ885-CA6132车床I轴机械加工工艺及铣键槽夹具设计
JJ884-CA6140车床刀架中部板类加工工艺规程及铣面夹具设计
N989-KCSJ-06角板机械加工工艺规程及铣槽30×74夹具设计
K1001-支架加工工艺及钻孔夹具设计