JJ781-连杆零件钻φ16孔夹具设计
JJ780-连杆螺钉机械加工工艺规程及钻Φ6孔夹具设计
Q595-连杆螺钉机械加工工艺规程及铣Φ45外圆削边夹具设计
JJ778-连杆支座机械加工工艺规程及铣端面夹具设计
JJ777-连接器机械加工工艺规程及钻2-φ20孔夹具设计
JJ776-联动导杆机械加工工艺规程及车左端面及外圆夹具设计
JJ775-联接座机械加工工艺规程及钻M12螺纹孔夹具设计
JJ774-零件10机械加工工艺规程及钻5-Φ5孔夹具设计
JJ773-螺杆机械加工工艺规程及铣槽夹具设计
JJ772-螺母座加工工艺规程及车φ40内孔夹具设计
JJ771-螺纹座机械加工工艺规程及钻Φ10孔夹具设计
JJ770-密封件定位套加工工艺及钻3×Φ13与3×M8螺孔底孔夹具设计
JJ769-密封圈压盖机械加工工艺规程及铣端面夹具设计
JJ768-模具典型零件机械加工工艺规程及铣端面夹具设计
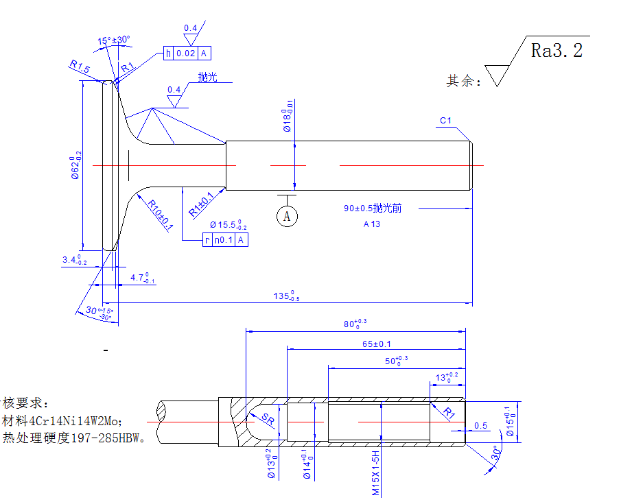
JJ767-排气阀机械加工工艺规程及车M15螺纹孔夹具设计
JJ766-排气阀加工工艺规程及车端面夹具设计
JJ765-盘套零件铣台阶面夹具设计
JJ764-盘套零件钻Φ10孔夹具设计
K1160-推动架加工工艺规程及铣φ35端面夹具设计
JJ762-推动架加工工艺规程及钻Φ6孔夹具设计