M1700-I轴加工工艺规程及其铣键槽的夹具设计
JJ068-小连杆加工工艺及钻孔夹具设计[含UG三维图]
K1902-小连杆加工工艺及铣端面夹具设计[含UG三维图]
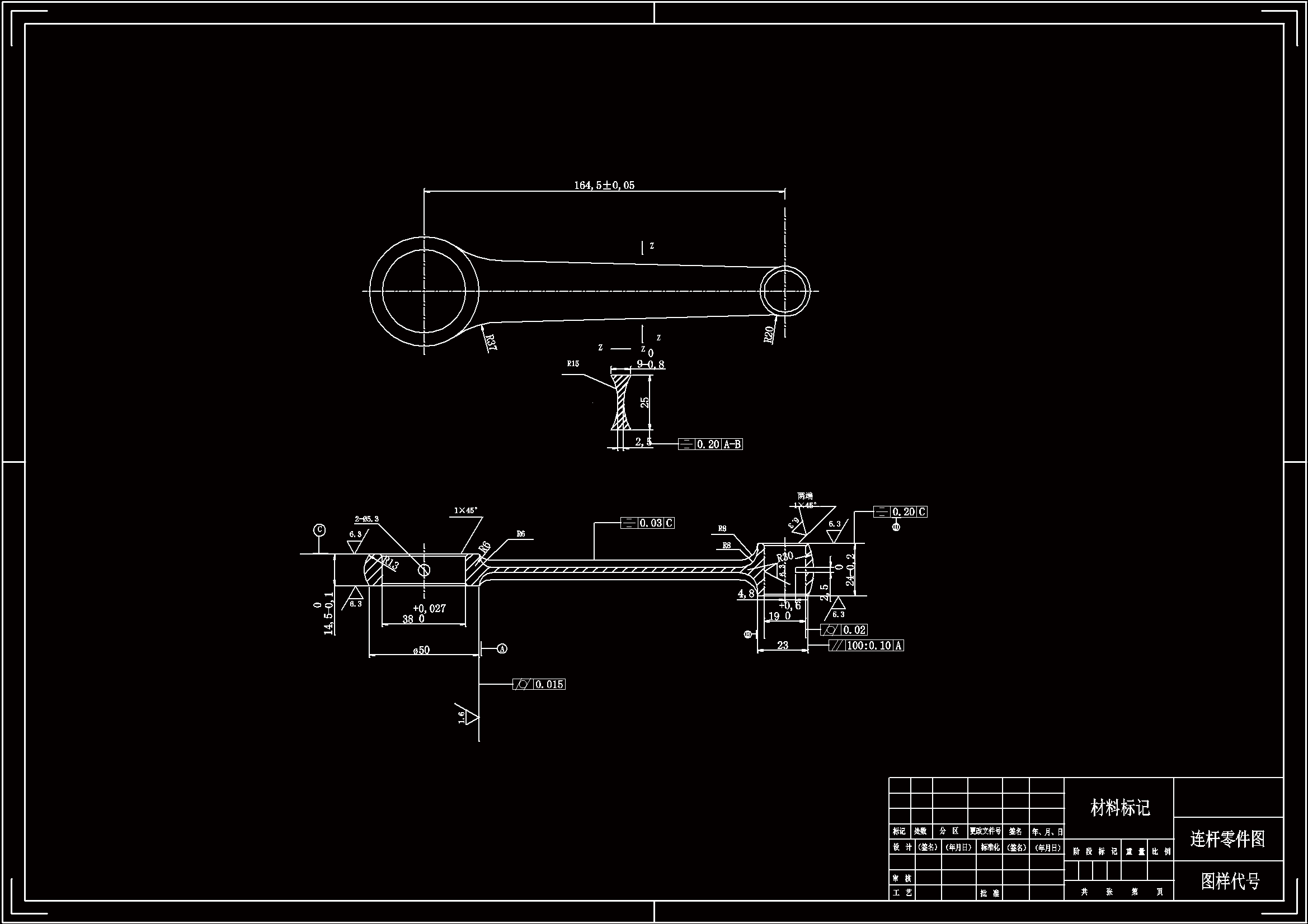
JJ066-连杆机械加工工艺规程及钻6孔夹具设计
JJ065-连杆工艺规程及钻M8螺纹孔夹具设计
JJ064-连杆的工艺规程及钻M6孔的夹具设计【中心距120】
JJ063-连杆的工艺规程及车40孔的夹具设计【中心距120】
JJ062-连杆的工艺规程及钻32孔的夹具设计【中心距120】
JJ061-连杆零件机械加工工艺及铣12槽夹具设计
JJ059-平切口连杆加工工艺及铣端面夹具设计
K1057-汽车连杆工艺规程及钻M14螺纹孔夹具设计
JJ058-柴油机连杆机械加工工艺规程及镗大头孔夹具设计
JJ057-柴油机连杆机械加工工艺规程设计
JJ056-连杆机械加工工艺及铣面夹具设计
JJ055-连杆工艺及钻小头15孔夹具设计
JJ053-连杆零件的机械加工工艺规程及铣槽夹具设计[含SW三维图]
JJ052-连杆机械加工工艺规程及钻大小头两孔夹具设计
JJ051-连杆机械加工工艺规程及插键槽夹具设计
JJ050-连杆的机械加工工艺及夹具设计【钻小头10孔+镗大孔28孔】
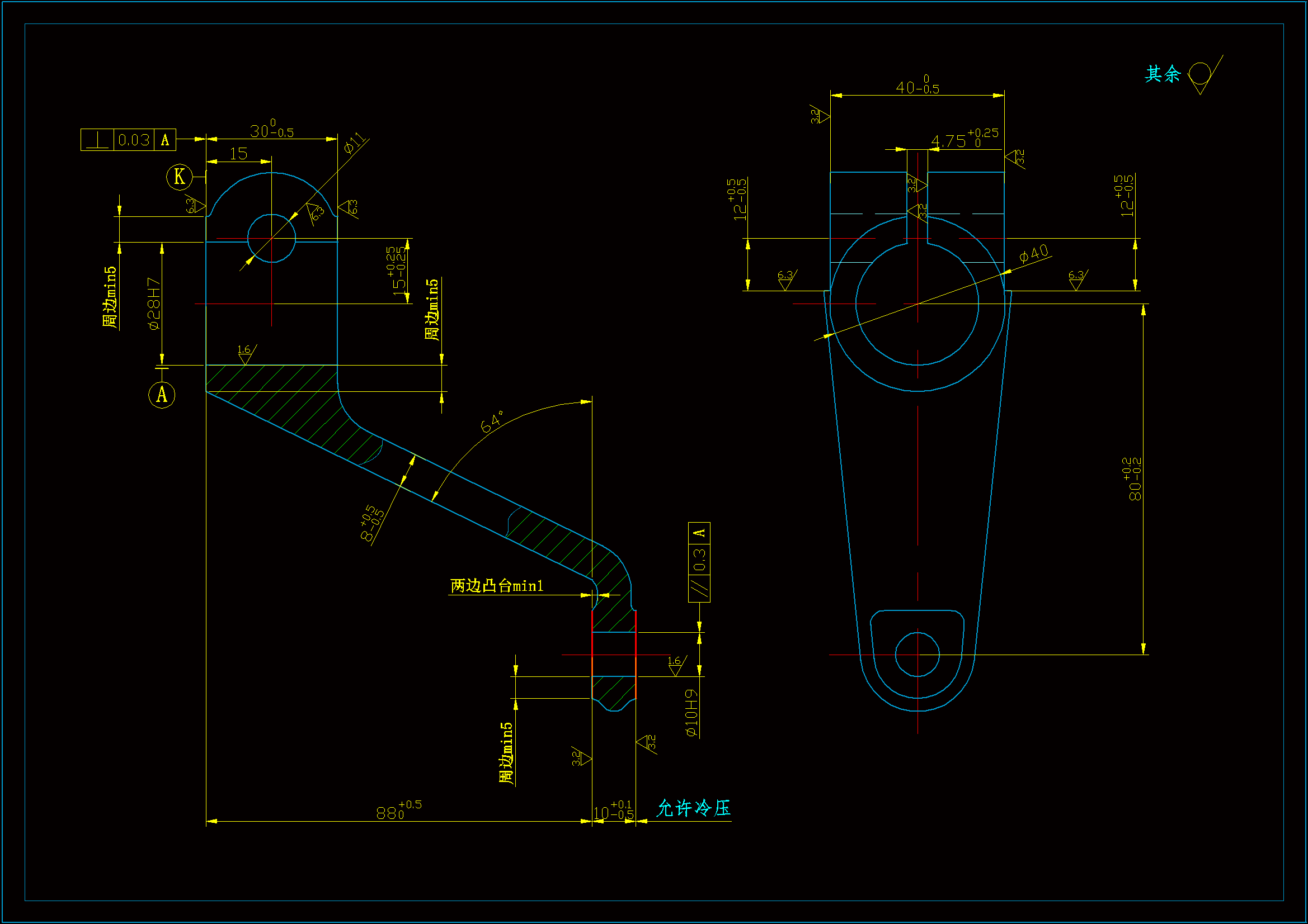
JJ049-连杆(杠杆臂)工艺规程和铣Φ10孔两端面夹具设计