R751-基于UG传动箱体结构设计及加工路线拟定
R749-基于UG发动机箱体工艺路线拟定及钻床类夹具设计
R748-基于ug发动机箱体工艺路线拟定及钻床夹具设计
R737-基于solidworks传动箱体结构设计及加工路线拟定
R736-基于solidworks发动机箱体工艺路线拟定及钻床夹具设计
R710B-离合器接合叉工艺及车φ25外圆夹具设计[含SW三维图]
R710-离合器接合叉工艺及车φ25外圆夹具设计
R620-丝杠支座的加工工艺及钻3-φ6夹具设计
R619-转子摆杆加工工艺及钻φ10孔夹具设计
R613-极限开关座零件的加工工艺及钻2-M6螺纹孔夹具设计
R612-极限开关座的工艺规程及钻2-M6孔夹具设计
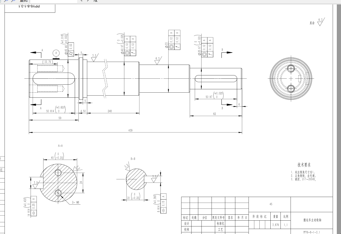
R611-搬运车主动轮轴的加工工艺及钻2-M8螺纹孔夹具设计
R606-圆周支座的工艺规程及铣底面夹具设计
R605-柱塞套零件加工工艺及钻Φ3孔专用夹具设计
R602-行星支架零件机加工工艺及钻4-Φ20孔夹具设计
R593-汽车拨叉机械加工工艺规程设计
R591-定位支座的加工工艺及钻4-M5螺纹底孔夹具设计
R590-十字轴加工工艺及钻M8底孔夹具设计
R586-轴承支撑座加工工艺及钻攻2-M4螺纹孔夹具设计
R585-离合器接合叉加工工艺及钻2-ø9孔夹具设计