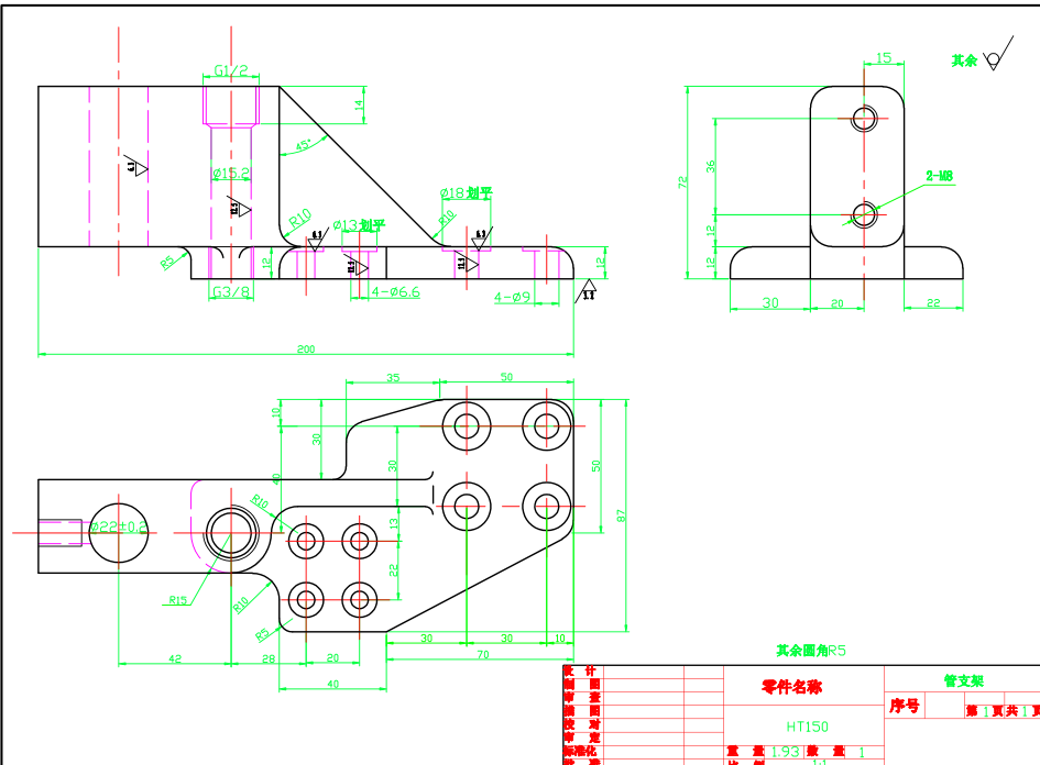
K216-管支架加工工艺及夹具设计
K215-定位螺套加工工艺及夹具设计
K214-导轨座工艺及铣T型槽夹具设计
K213-床尾主轴加工工艺及钻攻M8螺纹底孔夹具设计
K212-左臂壳体零件的工艺规程及钻φ8孔夹具设计
K211-最终传动箱盖加工工艺及铣上端面夹具设计[含三维图]
K210-最终传动箱盖工艺及钻M16孔夹具设计
K209-支撑板工艺及铣内腔成型专用夹具设计
K207-拖拉机变速器Ⅱ轴工艺及花键检具设计
K206-锯切主轴加工工艺及夹具设计
K205-接头的加工工艺及铣槽夹具的设计[含SW三维图]
K204-缸端盖加工工艺及钻4-φ10.5孔夹具设计
K203-插销体零件加工工艺及夹具设计
K202-KCSJ-02套筒座工艺及钻6-Φ10.5孔夹具设计
K201-镶轴套的加工工艺及专用夹具设计
K149-油泵接盘的工艺规程及Φ18孔夹具设计
K071-柴油机曲轴工艺规程及夹具设计
K066B-连杆螺钉工艺及铣螺纹端工艺凸台夹具设计
K066A-连杆螺钉工艺及铣φ45端42mm夹具夹具设计
K065-多拐曲轴工艺及夹具设计