S749-小轴的加工工艺及铣6x16mm键槽夹具设计
i361-小轴加工工艺及钻6孔夹具设计
E099-制定小轴的机械加工工艺规程(年产量2000件)
KS835-小轴零件机械加工工艺规程设计
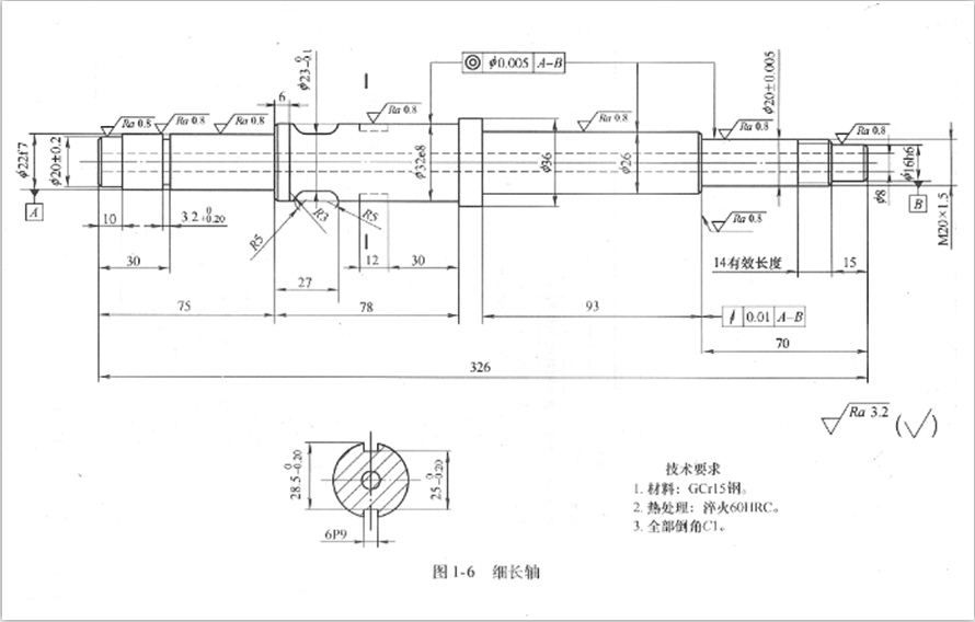
KS834B-细长轴加工工艺及钻φ8孔夹具设计
KS834A-细长轴加工工艺及车右端φ26外圆夹具设计
KS833B-轴的工艺规程及铣键槽的夹具设计[含SW三维图]
KS833A-蜗轮轴零件的机械加工工艺规程设计
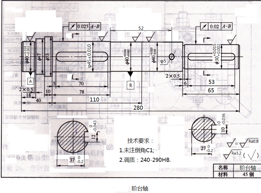
K208-拖拉机变速器阶台轴工艺及钻Φ5孔夹具设计
C649-调整偏心轴的工艺规程及钻M4螺纹孔夹具设计
B826-台阶轴机械加工工艺及钻小孔φ9孔夹具设计
B843-台阶轴加工工艺及铣键槽夹具设计
KS832-数控铣床主轴的数控加工工艺及夹具设计[毕设版含SW三维图]
H053B-输出轴工艺规程及铣键槽夹具设计
H053-传动轴机械加工工艺及工装设计
C697B-输出轴加工工艺规程及车左端及外圆面夹具设计
C697A-输出轴加工工艺规程及铣键槽夹具设计
C697-输出轴的加工工艺及铣键槽夹具设计
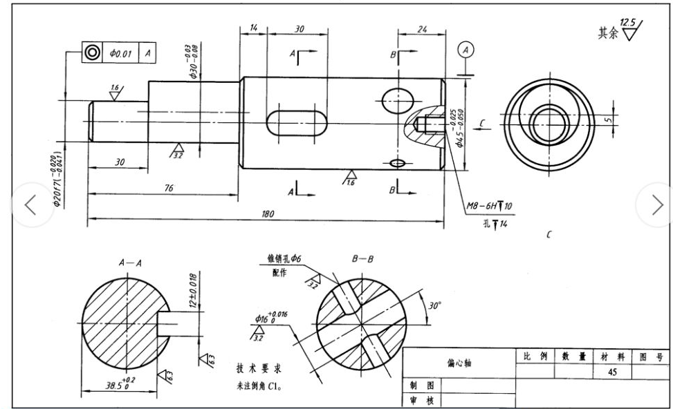
KS831-偏心轴零件机械加工工艺规程设计
S700-偏心轴的工艺规程及钻Φ18孔的工装夹具设计