KS678B-变速器拨叉加工工艺及钻φ6孔的工装夹具设计[含Catia三维图]
KS678A-变速器拨叉加工工艺其铣叉口两内侧面,保证尺寸120.2的工装夹具设计【含catia三维图】
KS677-变速叉I型加工工艺及夹具工装设计[2套夹具毕设版]
KS677K-变速叉I型加工工艺及钻10.2孔夹具设计
KS677J-变速叉I型加工工艺及铣叉口两面夹具设计
KS676-变速叉Ⅱ型加工工艺及夹具工装设计[2套夹具毕设版]
KS676K-变速叉Ⅱ型加工工艺及铣叉口两面夹具设计
KS676J-变速叉Ⅱ型加工工艺及钻Φ14孔夹具设计
H140-变速拨叉工艺工装设计[2套夹具毕设版]
H140B-变速拨叉加工工艺及铣16mm槽夹具设计
H140A-变速拨叉加工工艺及钻Φ8mm孔夹具设计
KS675C-I倒挡拨叉零件的工艺及铣46左端面夹具设计
KS675B-I倒挡拨叉零件的工艺及铣叉脚两侧面夹具设计
KS675A-I倒挡拨叉加工工艺及钻14H9孔夹具设计
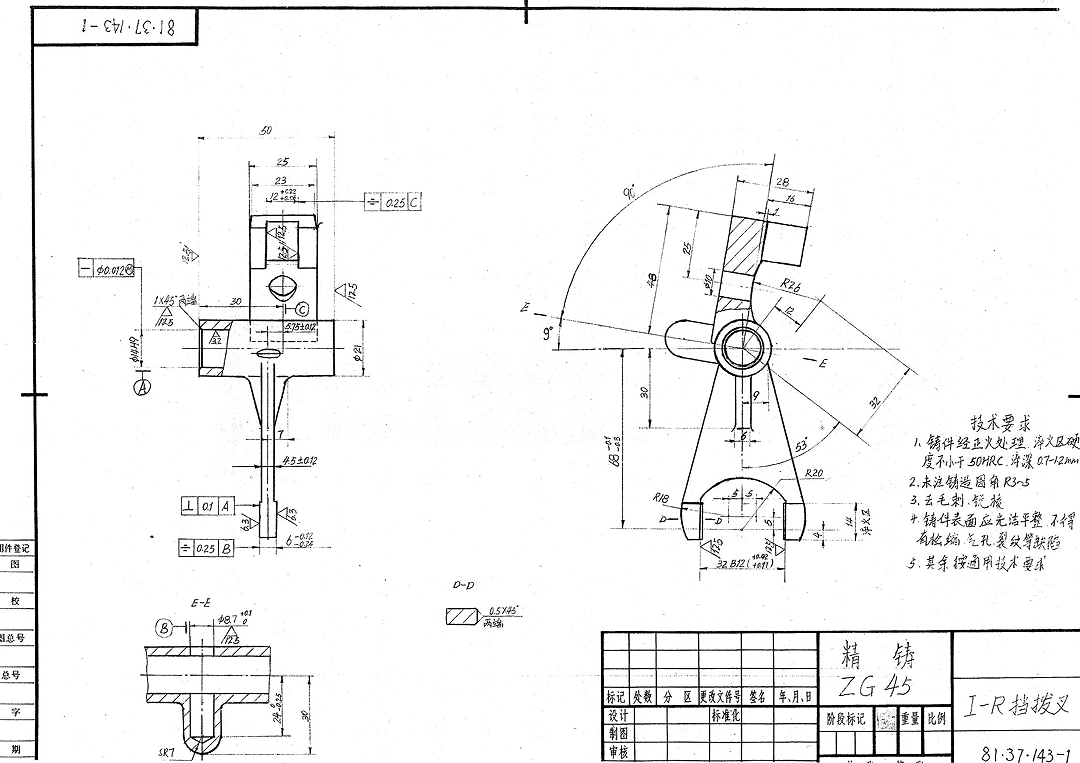
KK674F-I-R挡拨叉的加工工艺及铣φ21左右端面夹具设计
KK674E-I-R挡拨叉的加工工艺及钻φ14孔夹具设计
KK674D-I-R挡拨叉工艺及铣操纵槽夹具设计
KK674C-I-R挡拨叉的加工工艺及铣叉脚两侧面夹具设计
KK674B-I-R换挡叉零件的加工工艺及钻Φ8.7孔的夹具设计
KK674A-I-R换挡叉零件的加工工艺及铣叉口内侧面的夹具设计