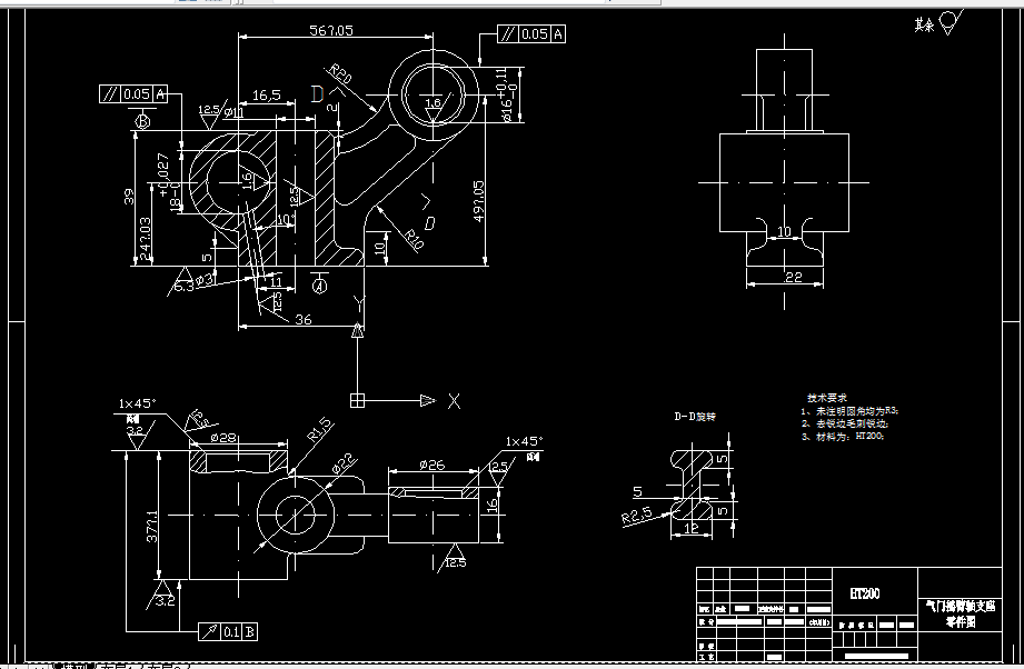
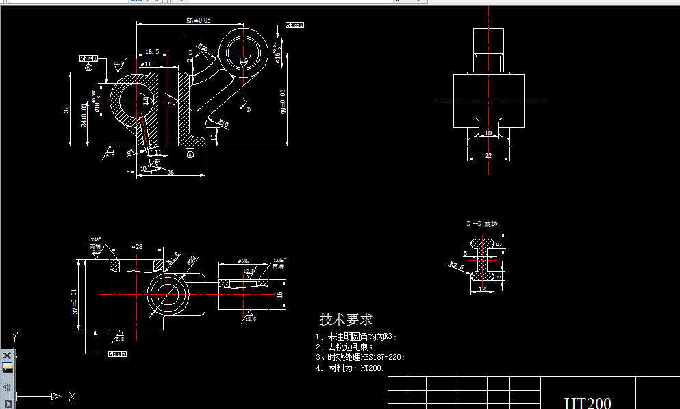
KS659A-气门摇臂轴支座工艺及铣φ18及16孔端面夹具设计
AA15-气门摇臂轴支座加工工艺及钻φ3孔夹具设计
J142-气门摇臂轴支座工艺及铣φ18mm孔两端面的铣床夹具设计
H195-气门摇臂轴支座的机械加工工艺及铣22上端面夹具设计
B1202-气门摇臂轴支座加工工艺及铣36mm下端面夹具设计
B1201-气门摇臂轴支座加工工艺及钻φ18孔夹具设计【液压】
R118-气门摇臂轴支座的机械加工工艺及钻φ16φ18孔夹具设计
G090-气门摇臂轴支座加工工艺规程及钻φ18φ16孔夹具设计
V088-气门摇臂轴支座工艺及钻φ16φ18孔夹具设计
X005-气门摇臂轴支座工艺及钻16及18两孔夹具设计
AA14-气门摇臂轴支座工艺及钻φ16和φ18孔夹具设计
AA13-气门摇臂轴支座工艺及钻扩铰φ18及16孔夹具设计
W080-气门摇臂轴支座零件工艺及钻Φ11孔夹具设计
AA12-气门摇臂轴支座加工工艺及钻φ11孔夹具设计
AA11-气门摇臂轴支座铣φ28外圆端面夹具设计
KS658B-配气机构导块加工工艺及钻φ25孔夹具设计
KS658A-配气机构导块零件机械加工工艺规程设计
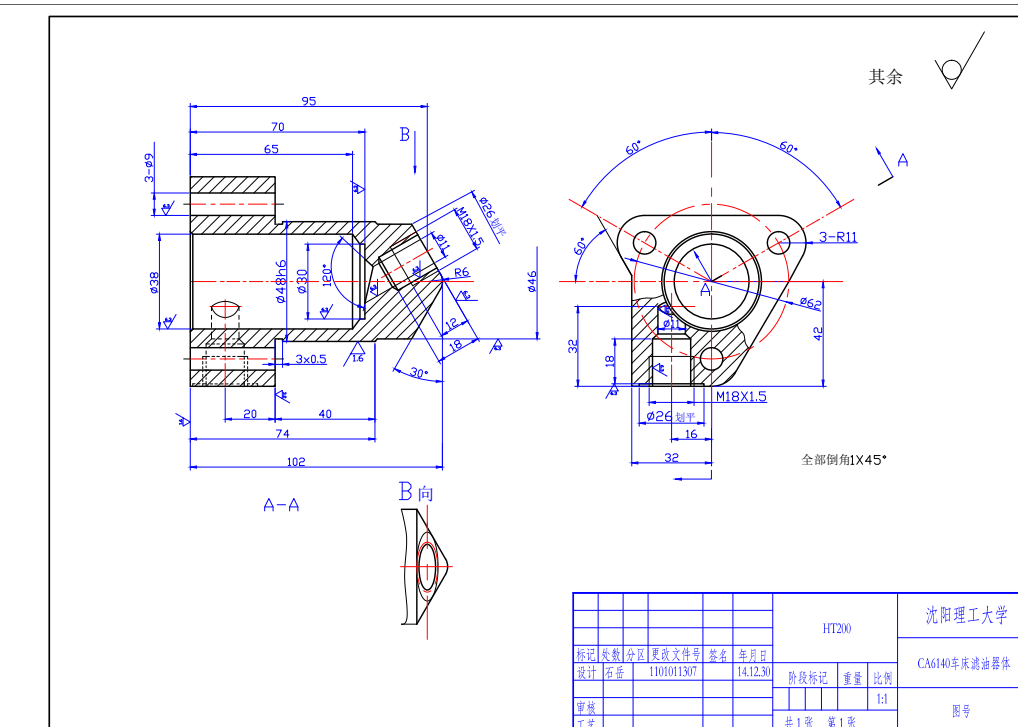
KS657F-CA6140车床滤油器体加工工艺及夹具设计【车+斜孔】
KS657E-滤油器壳体机械加工工艺规程及车左端面夹具设计
KS657D-滤油器体的加工工艺及钻38孔夹具设计[含Proe三维图]