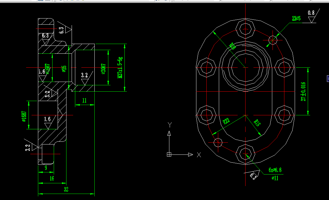
KS427-端盖加工工艺及铣6个等分槽夹具设计
X025-端盖机械加工工艺规程设计及铣削交叉槽工序专用夹具设计
V554-端盖零件加工工艺及铣宽8槽夹具设计
KS426-端盖零件的加工工艺及钻Φ16H7孔,锪Φ20孔的工装夹具设计
KS425-端盖零件的工艺规程及铣大端底面的工装夹具设计
V450-机油泵端盖零件加工工艺及夹具设计
N080-端盖零件的工艺规程及钻Φ16H7深11孔的工装夹具设计
M199-端盖零件的工艺规程及钻6-Φ6.6孔的工装夹具设计
L018-端盖钻φ9孔的专用夹具设计
KS424-端盖零件加工工艺及其车左端面夹具设计
KS423-端盖零件的机械加工工艺及钻φ25孔夹具设计
KS422-端盖加工工艺及铣R66圆弧面夹具设计
W124-端盖零件的机械加工工艺规程及钻φ14孔夹具设计
X003-端盖零件工艺及钻φ10孔夹具设计
W140-端盖零件工艺及钻10孔夹具设计
KS421-底板座架加工工艺及镗36孔夹具设计[含三维图]
KS420-底板座架的加工工艺及钻φ13孔夹具设计
KS419-底板座架加工工艺及钻扩φ22孔夹具设计
M8926-底板座架工艺及镗36孔夹具设计【含SW三维图】
KS418-底板座架工艺及铣上平面夹具设计