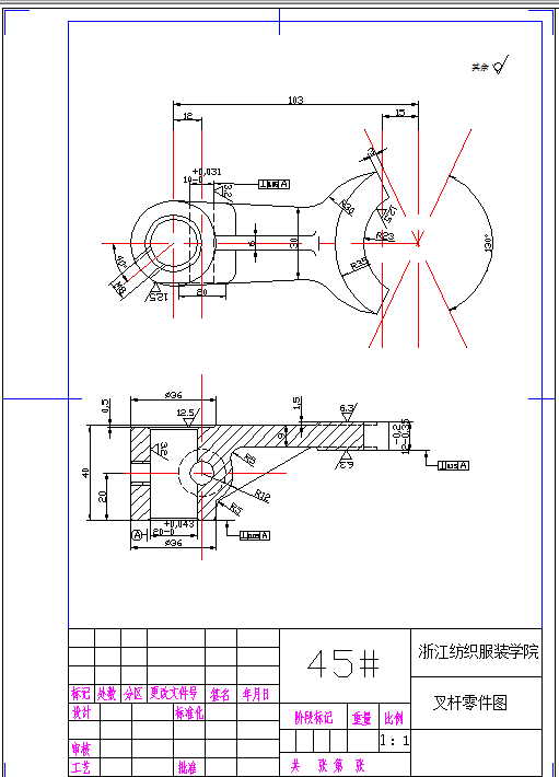
KS240-叉杆零件的加工工艺及镗R23孔夹具设计
KS239-叉杆零件的加工工艺及加工孔Φ20的专用夹具设计
KS238-叉杆的加工工艺及钻M8孔夹具设计
G021-叉杆零件工艺设计与工装设计(铣床)
B836-叉杆零件机械加工工艺及铣B、D面夹具设计
B835-叉杆零件机械加工工艺及铣A面夹具设计
R216B-叉杆零件加工工艺及铣R23的2端面[保证尺寸12]夹具设计[含SW三维图]
R216-叉杆零件加工工艺及铣R23的2端面[保证尺寸12]夹具设计
R215-叉杆零件加工工艺及钻φ10孔夹具设计
W590-叉杆零件的加工工艺及夹具设计【钻20+车夹具】
V534-叉杆零件的加工工艺及钻Φ20孔夹具设计
T371-叉杆的加工工艺及钻M8螺纹孔夹具设计
KS237-不锈钢轮轴加工工艺及夹具设计【2套】
KS236-不锈钢轮轴零件的工艺规程及钻3-φ7孔夹具设计
KS235-不锈钢轮轴零件的工艺规程及钻3-φ11孔夹具设计
KS234-变速器换挡叉加工工艺及铣尺寸9.65mm两端面夹具设计[含SW三维图]
KS233-变速器换挡叉加工工艺及钻φ15.8孔夹具设计
KS232-变速器换挡叉加工工艺及钻φ15.8孔夹具设计[含SW三维图]
KS231-变速器换挡叉加工工艺及铣叉脚端面夹具设计
KS230-变速器换挡叉工艺规程及钻M10螺纹底孔夹具设计[含SW三维图]