

作品包括:
word说明书一份,共20页,约10000字
工艺卡片一套
过程卡一套
CAD版本图纸,共5张

目录
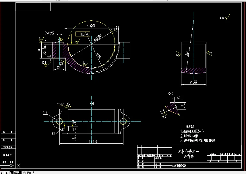
第一章 柴油机连杆的加工工艺 2
1.1 柴油机连杆的用途及其特点 2
1.2 连杆的的材料及毛坯制造 2
1.3 连杆的加工工艺过程 3
1.4 连杆的加工工艺过程分析 4
1.4.1 定位基准的选择 4
1.4.2 加工阶段的划分和加工顺序的安排 5
1.4.3 确定合理的夹紧方法 5
1.4.4 连杆主要面的加工方法 6
1.4.5 连杆主要孔的加工方法 6
1.4.6 连杆体与连杆盖的铣开工序 7
1.5夹具使用 7
1.6 确定各工序的加工余量、计算工序尺寸及公差 7
1.6.1 确定加工余量 7
1.6.2确定工序尺寸及其公差 8
1.7 各项加工数据的计算 8
1.8 连杆的检验 12
1.8.1 观察外表缺陷及目测表面粗糙度 13
1.8.2 检查主要表面的尺寸精度 13
1.8.3检验主要表面的位置精度 13
1.8.4 连杆螺钉孔与结合面垂直度的检验 13
第二章 工装设计 14
2.1 铣削分面夹具设计 14
2.1.1夹具的问题注意 14
2.1.2 夹具设计 14
2.2 扩大头孔夹具 16
2.2.1 夹具的注意问题 16
2.2.2 夹具设计 16
参考文献: 20
致 谢 21
温馨提示:
1、题目前面的备注【字母数字编号】为本站整理分类的编号,与课题内容无关,请选题时忽视;
2、若题目上备注三维,则表示文件里包含三维源文件,由于三维组成零件数量较多,为保证预览截图的简洁性,本站将三维文件夹进行了打包。三维及CAD预览截图,均为本站电脑打开软件进行截图的,保证能够打开,下载原件超高清,下载后解压即可;
3、本站所有资源如无特殊说明,都需要本地电脑安装Office2007。图纸软件为AutoCAD,PROE,UG,SolidWorks,CATIA等;
4、本站所有图文资料仅供用户学习参考,不作为任何商用或其他用途;
5、本站不保证下载资源的准确性、安全性和完整性, 不包修改,不支持退换,同时也不承担用户因使用这些下载资源对自己和他人造成任何形式的伤害或损失;
6、 下载文件中如有侵权或不适当内容,请与我们联系,我们立即纠正。