

作品包括:
Word版说明书1份,共31页,约12000字
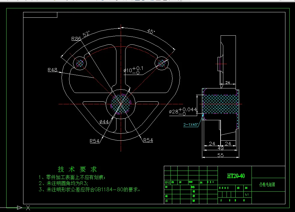
CAD版本图纸,共5张
工序卡一份
工艺过程卡一份

目 录
摘 要II
目 录III
第1章 序 言5
第2章 零件的分析6
2.1零件的形状6
2.2零件的工艺分析6
第3章 工艺规程设计7
3.1 确定毛坯的制造形式7
3.2 基面的选择7
3.3 制定工艺路线8
3.3.1 工艺路线方案一8
3.3.2 工艺路线方案二8
3.3.3 工艺方案的比较与分析9
3.4 选择加工设备和工艺装备9
3.4.1 机床选用9
3.4.2 选择刀具10
3.4.3 选择量具10
3.5 机械加工余量、工序尺寸及毛坯尺寸的确定10
3.6确定切削用量及基本工时11
第4章 车Φ28孔及两端面夹具设计22
4.1 车床夹具设计要求说明22
4.2车床夹具的设计要点22
4.3 定位机构24
4.4夹紧机构24
4.5零件的车床夹具的加工误差分析26
4.6 确定夹具体结构尺寸和总体结构27
4.7 零件的车床专用夹具简单使用说明27
总 结29
致 谢30
参 考 文 献31
温馨提示:
1、题目前面的备注【字母数字编号】为本站整理分类的编号,与课题内容无关,请选题时忽视;
2、若题目上备注三维,则表示文件里包含三维源文件,由于三维组成零件数量较多,为保证预览截图的简洁性,本站将三维文件夹进行了打包。三维及CAD预览截图,均为本站电脑打开软件进行截图的,保证能够打开,下载原件超高清,下载后解压即可;
3、本站所有资源如无特殊说明,都需要本地电脑安装Office2007。图纸软件为AutoCAD,PROE,UG,SolidWorks,CATIA等;
4、本站所有图文资料仅供用户学习参考,不作为任何商用或其他用途;
5、本站不保证下载资源的准确性、安全性和完整性, 不包修改,不支持退换,同时也不承担用户因使用这些下载资源对自己和他人造成任何形式的伤害或损失;
6、 下载文件中如有侵权或不适当内容,请与我们联系,我们立即纠正。