

作品包括:
word说明书一份,共39页,约21000字
任务书一份
开题报告一份
外文翻译一份
CAD版本图纸,共9张
摘 要
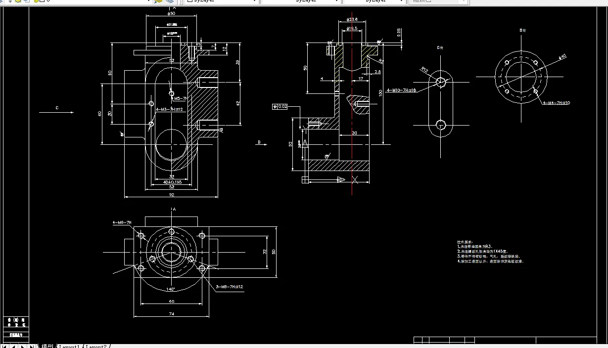
本文是对支承套零件的加工工艺规程进行设计,并针对其中某一道工序进行基于液压的专用夹具设计,并进行了另一工序的普通夹具设计。支承套零件作为套类零件,其主要加工表面是平面及孔。按照机械加工工艺要求,遵循先面后孔的原则,并将孔与平面的加工明确划分成粗加工和精加工阶段以保证加工精度。基准选择以支承套大外圆端面作为粗基准,以支承套大外圆作为精基准,确定了其加工的工艺路线和加工中所需要的各种工艺参数。并按要求对其中一道工序进行了基于液压夹紧的专用夹具设计,在设计中计算了此道工序所受的切削力及切削力矩,进而确定了液压缸的负载,选定整个液压系统的压力,从而确定了液压缸的各参数,绘制了液压夹紧的专用夹具总图。整个加工过程均选用万能机床。
关键词 支承套;加工工艺;液压;专用夹具
目 录
摘 要 III
ABSTRACT IV
目录 V
1 绪论 1
1.1本课题的研究内容和意义 1
1.2国内外的发展概况 1
1.3本课题应达到的要求 2
2零件的造型 3
2.1 零件造型软件介绍 3
2.2 零件造型过程 4
3 零件的工艺分析 8
3.1 零件的功用分析 8
3.2 零件的工艺分析 8
4 零件工艺规程设计 9
4.1确定毛坯的制造形式 9
4.2 定位基准的选择 9
4.2.1精基准的选择 10
4.2.2粗基准的选择 10
4.3切削用量的选择原则 10
4.3.1粗加工时切削用量的选择 10
4.3.2精加工时切削用量的选择 10
4. 4 拟定零件加工的工艺路线 11
4.5 机械加工余量、工序尺寸及毛坯尺寸的确定 13
4.6 确定切削用量及基本工时 14
5 专用夹具设计 23
5.1 问题的提出 23
5.2 夹具设计 23
6 基于液压夹紧18H8槽专用夹具设计 26
6.1 设计主旨 27
6.2.1定位基准的选择 27
6.2.2定位误差分析 27
6.2.3 铣夹具设计的基本要求 27
6.3液压缸的设计计算 27
6.3.1 切削力及切削力矩的计算与分析 28
6.3.2 确定系统的工作压力 30
6.3.3确定液压缸的几何参数 30
6.4 确定液压泵规格和电动机功率及型号 32
6.5 确定各类控制阀 33
6.6 管道通径与材料及管接头的选用 34
7 结论与展望 36
7.1结论 36
7.2不足之处及未来展望 36
致谢 37
参考文献 38
温馨提示:
1、题目前面的备注【字母数字编号】为本站整理分类的编号,与课题内容无关,请选题时忽视;
2、若题目上备注三维,则表示文件里包含三维源文件,由于三维组成零件数量较多,为保证预览截图的简洁性,本站将三维文件夹进行了打包。三维及CAD预览截图,均为本站电脑打开软件进行截图的,保证能够打开,下载原件超高清,下载后解压即可;
3、本站所有资源如无特殊说明,都需要本地电脑安装Office2007。图纸软件为AutoCAD,PROE,UG,SolidWorks,CATIA等;
4、本站所有图文资料仅供用户学习参考,不作为任何商用或其他用途;
5、本站不保证下载资源的准确性、安全性和完整性, 不包修改,不支持退换,同时也不承担用户因使用这些下载资源对自己和他人造成任何形式的伤害或损失;
6、 下载文件中如有侵权或不适当内容,请与我们联系,我们立即纠正。