

作品包括:
说明书1份,共18页,约7400字
CAD版本本图纸,共3张

目 录
1.拨叉零件的工艺分析 2
1.1了解拨叉零件的用途 2
1.2熟悉拨叉零件技术要求及对使用性能的影响 2
1.3审查拨叉零件的工艺性 3
1.4确定拨叉的生产类型 3
2.确定拨叉毛坯,绘制毛坯简图 4
2.1选择毛坯类型 4
2.2确定拨叉毛坯的尺寸公差和机械加工余量 4
2.3绘制拨叉锻造毛坯简图 5
3.拟订拨叉工艺路线 6
3.1定位基准的选择 6
3.1.1粗基准的选择 6
3.1.2粗基准的选择 7
3.2表面加工方法的确定 7
3.3表面加工方法的确定 7
3.4表面加工方法的确定 8
3.4.1粗基准的选择 8
3.4.2粗基准的选择 8
3.4.3粗基准的选择 8
3.5确定工艺路线 8
3.6机床设备、工装的选用 8
4. 拨叉零件加工工序内容设计 9
4.1拨叉零件加工余量、工序尺寸和公差的确定 9
4.2切削用量的计算 12
5.填写机械加工工艺规程文件 14
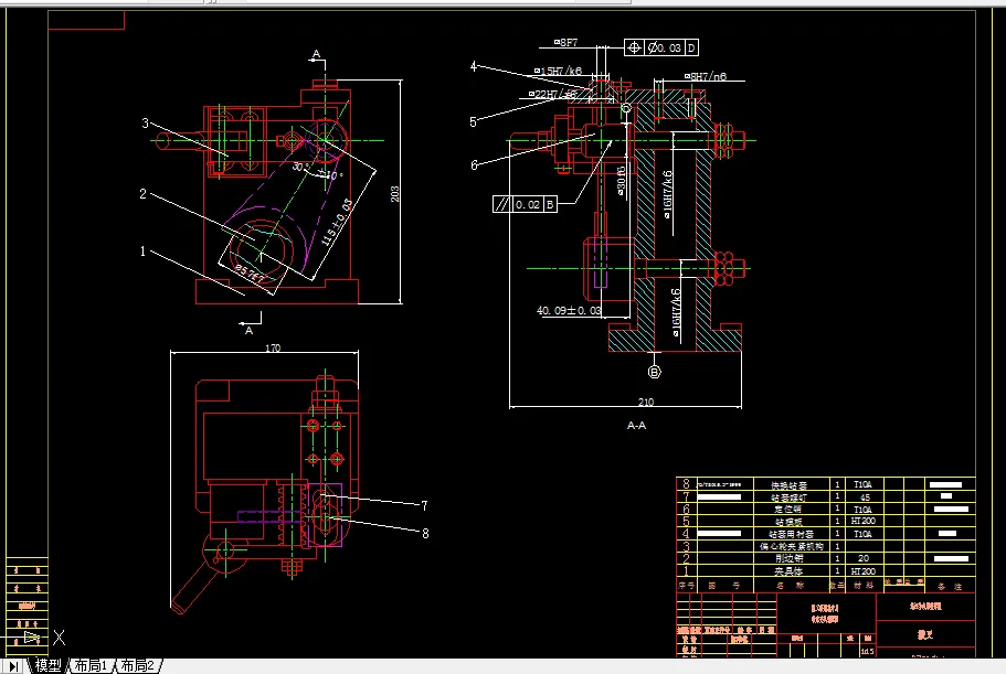
6拨叉零件专用机床夹具设计 14
6.1夹具设计任务 15
6.2确定夹具的结构方案 15
6.3专用夹具夹紧力的计算 16
7.设计心得体会 16
参考文献 17
温馨提示:
1、题目前面的备注【字母数字编号】为本站整理分类的编号,与课题内容无关,请选题时忽视;
2、若题目上备注三维,则表示文件里包含三维源文件,由于三维组成零件数量较多,为保证预览截图的简洁性,本站将三维文件夹进行了打包。三维及CAD预览截图,均为本站电脑打开软件进行截图的,保证能够打开,下载原件超高清,下载后解压即可;
3、本站所有资源如无特殊说明,都需要本地电脑安装Office2007。图纸软件为AutoCAD,PROE,UG,SolidWorks,CATIA等;
4、本站所有图文资料仅供用户学习参考,不作为任何商用或其他用途;
5、本站不保证下载资源的准确性、安全性和完整性, 不包修改,不支持退换,同时也不承担用户因使用这些下载资源对自己和他人造成任何形式的伤害或损失;
6、 下载文件中如有侵权或不适当内容,请与我们联系,我们立即纠正。