

作品包括:
说明书1份,共16页,约4100字左右
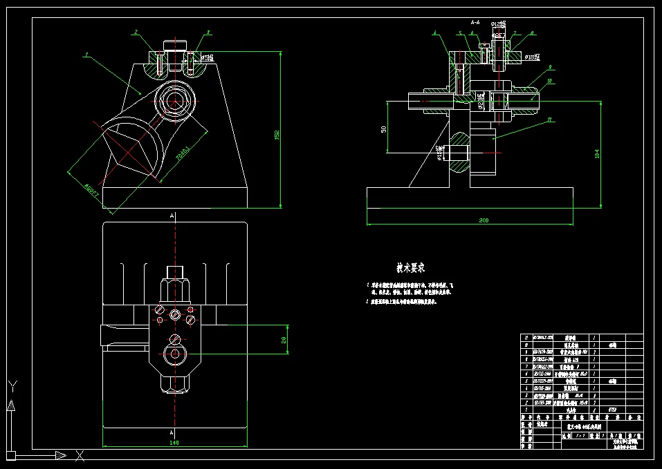
CAD版本本图纸,共2张
UG三维图一份
工序卡一张
过程卡一张

目 录
第一章 零件分析及工艺规划 ………………………………1
1.1 零件图分析及功用 ………………………………………1
1.2 零件的结构特点 …………………………………………2
1.3 零件毛坯与生产纲领 ……………………………………2
1.4 零件各加工表面及技术要求 ……………………………2
1.5 定位基准的选择 ………………………………………… 2
1.6 拟定机械加工工艺路线 …………………………………3
1.7 确定工艺过程填写工艺过程卡 …………………………3
第二章 工序设计 …………………………………………… 4
2.1 毛坯的确定及尺寸公差 ………………………………… 4
2.2 拨叉总余量的确定 ……………………………………… 4
2.3机床及刀具的选择 ……………………………………… 4
2.4 工序参数的计算 …………………………………………4
第三章 夹具设计 ………………………………………… 5
3.1 夹具的用途和原理 ………………………………………6
3.2 结构方案的确定和分析 …………………………………6
3.3 切削力与加紧力的计算 …………………………………7
3.4 误差分析与计算 ……………………………………… 8
第四章 校正 …………………………………………………9
第五章 自我总结 ……………………………………………10
参考资料 ………………………………………………………11
附 录 ………………………………………………………12
温馨提示:
1、题目前面的备注【字母数字编号】为本站整理分类的编号,与课题内容无关,请选题时忽视;
2、若题目上备注三维,则表示文件里包含三维源文件,由于三维组成零件数量较多,为保证预览截图的简洁性,本站将三维文件夹进行了打包。三维及CAD预览截图,均为本站电脑打开软件进行截图的,保证能够打开,下载原件超高清,下载后解压即可;
3、本站所有资源如无特殊说明,都需要本地电脑安装Office2007。图纸软件为AutoCAD,PROE,UG,SolidWorks,CATIA等;
4、本站所有图文资料仅供用户学习参考,不作为任何商用或其他用途;
5、本站不保证下载资源的准确性、安全性和完整性, 不包修改,不支持退换,同时也不承担用户因使用这些下载资源对自己和他人造成任何形式的伤害或损失;
6、 下载文件中如有侵权或不适当内容,请与我们联系,我们立即纠正。