

作品包括:
word说明书一份,共56页,约15000字
CAD版本图纸,共18张
摘要
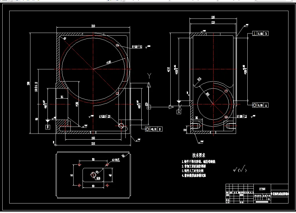
近年来,我国国用火箭燃料贮箱都是采用了搅拌摩擦焊(FSW)焊接。目前在火箭燃料贮箱的焊接过程中并没有具体统一的夹具使用,导致贮箱表面圆度与精度数值有起伏,甚至有些表面还有微型凹陷,所以设计一套火箭燃料贮箱在搅拌摩擦焊焊接过程中专用的组合夹具迫在眉睫。
火箭燃料贮箱主要由三部分组成,可以分为2个主要工件,分别是中间的薄壁筒体以及两端的半球面体。其中半球面体一般先由6块瓜瓣片形状的金属板焊接成半球面体状,再和一个端盖焊接成完整的贮箱球面盖,所以这里需要一套完整的焊接夹具。由于搅拌摩擦焊焊接机器的旋转局限性,焊接完成两个瓜瓣片之间的纵缝后,需要整个工件和夹具一起旋转60°之后才能继续焊接另外的纵缝,所以需要另外设计一台特定配置的回转工作台用来带动整个夹具和工件一起转动。设计薄壁筒体夹具时,由于用于筒体焊接的搅拌摩擦焊机器有绕中心轴旋转功能,所以不必再设计新的工作台。
设计过程:在FSW的工作原理和工件的结构基础上分析夹具需要的定位面和夹紧面;在Pro/E上绘制初步的三维模型,设计出大概的尺寸;对夹具整体的外形和尺寸进行优化,分析考虑其实用性并进行修改;通过球面体夹具的尺寸算出体积和重力;根据其他数据设计对应的回转工作台;受力分析和校核;在Pro/E上进行零件的装配;根据三维零件模型和装配模型在AutoCAD上绘制二维图;Pro/E上夹具、回转工作台、工件的配合演示。
关键字:火箭燃料贮箱;夹具;回转工作台;设计;筒体;球面体
目 录
摘 要
Abstract
第1章 绪论 1
1.1 研究的目的及意义 1
1.2 国内外研究现状 3
1.2.1 薄壁筒体夹具研究现状 3
1.2.2 球面体夹具研究现状 4
1.3 主要研究内容 6
1.3.1 筒体夹具分析与设计 6
1.3.2 半球面体夹具分析与设计 6
1.3.3 拟解决的主要问题 7
第2章 球面体夹具设计 7
2.1 机械加工工艺分析 7
2.2 夹具的结构方案 8
2.3 半球面体夹具装配图 12
第3章 回转工作台设计 13
3.1 工作台方案分析 13
3.2 电机的选择 14
3.3 动力参数计算 15
3.4 齿轮传动设计 16
3.5 涡轮蜗杆传动设计 20
3.6 轴、键、轴承及联轴器的设计和选择 24
3.7 轴的校核 29
3.8 回转工作台装配图 35
第4章 筒状体夹具设计 36
4.1 机械加工工艺分析 36
4.2 夹具的结构方案 37
4.3 筒体夹具的装配图 41
第5章 AutoCAD与Pro/E软件简介 42
5.1软件简介 42
5.2三维模型 43
第6章 总结 44
参考文献 45
致 谢 46
附录 47
温馨提示:
1、题目前面的备注【字母数字编号】为本站整理分类的编号,与课题内容无关,请选题时忽视;
2、若题目上备注三维,则表示文件里包含三维源文件,由于三维组成零件数量较多,为保证预览截图的简洁性,本站将三维文件夹进行了打包。三维及CAD预览截图,均为本站电脑打开软件进行截图的,保证能够打开,下载原件超高清,下载后解压即可;
3、本站所有资源如无特殊说明,都需要本地电脑安装Office2007。图纸软件为AutoCAD,PROE,UG,SolidWorks,CATIA等;
4、本站所有图文资料仅供用户学习参考,不作为任何商用或其他用途;
5、本站不保证下载资源的准确性、安全性和完整性, 不包修改,不支持退换,同时也不承担用户因使用这些下载资源对自己和他人造成任何形式的伤害或损失;
6、 下载文件中如有侵权或不适当内容,请与我们联系,我们立即纠正。