

作品包括:
Word版说明书1份,共36页,约10000字
工序卡6张
工艺过程卡1张
CAD版本图纸,共4张

摘 要
本次设计内容涉及了机械制造工艺及机床夹具设计、金属切削机床、公差配合与测量等多方面的知识。
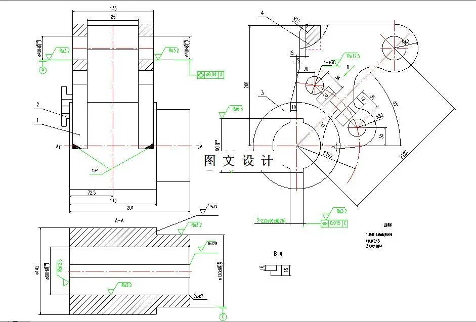
拨叉加工工艺规程及其夹具设计是包括零件加工的工艺设计、工序设计以及专用夹具的设计三部分。在工艺设计中要首先对零件进行分析,了解零件的工艺再设计出毛坯的结构,并选择好零件的加工基准,设计出零件的工艺路线;接着对零件各个工步的工序进行尺寸计算,关键是决定出各个工序的工艺装备及切削用量;然后进行专用夹具的设计,选择设计出夹具的各个组成部件,如定位元件、夹紧元件、引导元件、夹具体与机床的连接部件以及其它部件;计算出夹具定位时产生的定位误差,分析夹具结构的合理性与不足之处,并在以后设计中注意改进。
关键词:工艺、工序、切削用量、夹紧、定位、误差。
目 录
ABSTRCT 3
序 言 1
一 零件的分析 2
1.1 零件的结构分析 2
1.2 零件的工艺分析 2
1.3 零件的工艺要求 2
二 毛坯的确定 3
2.1确定毛坯的制造形式 3
2.2毛坯形状及尺寸 3
三 拟定加工工艺路线 4
3.1 基准的选择 4
3.1.1粗基准选择 4
3.1.2 精基准的选择 4
3.2 制定工艺路线 5
四 切削用量及工时计算 8
工序:粗铣Φ40的顶端面 8
工序:钻,扩,铰Φ25孔 9
工序:粗铣Φ75的顶端面 10
工序:粗铣Φ75的底端面 11
工序:粗镗Φ55的孔 12
工序:粗铣40×32的端面 13
工序:粗铣距中心17mm的端面 14
工序:粗铣宽16mm的槽 15
工序:精铣Φ40的顶端面 15
工序:精铣Φ75的顶端面 16
工序:精铣Φ75的底端面 17
工序:精镗Φ55孔 18
工序:精铣40×32的端面 19
工序:精铣宽16mm的槽 20
工序:铣断 20
五 夹具设计 22
5.1 问题的提出 22
5.2 定位基准的选择 22
5.3 定位方案的设计 22
5.4夹紧方案的设计 23
5.4.1夹紧装置的组成及基本要求 24
5.4.2夹紧装置的确定 24
5.5 切削力及夹紧力计算 24
5.6定位误差分析 27
5.7夹具设计及操作简要说明 28
总 结 29
致 谢 31
参 考 文 献 32
温馨提示:
1、题目前面的备注【字母数字编号】为本站整理分类的编号,与课题内容无关,请选题时忽视;
2、若题目上备注三维,则表示文件里包含三维源文件,由于三维组成零件数量较多,为保证预览截图的简洁性,本站将三维文件夹进行了打包。三维及CAD预览截图,均为本站电脑打开软件进行截图的,保证能够打开,下载原件超高清,下载后解压即可;
3、本站所有资源如无特殊说明,都需要本地电脑安装Office2007。图纸软件为AutoCAD,PROE,UG,SolidWorks,CATIA等;
4、本站所有图文资料仅供用户学习参考,不作为任何商用或其他用途;
5、本站不保证下载资源的准确性、安全性和完整性, 不包修改,不支持退换,同时也不承担用户因使用这些下载资源对自己和他人造成任何形式的伤害或损失;
6、 下载文件中如有侵权或不适当内容,请与我们联系,我们立即纠正。