

作品包括:
说明书1份,共31页,约13000字
CAD版本图纸,共7张
工序卡一张
过程卡一张

摘 要
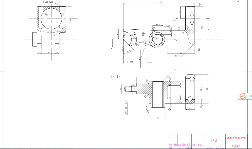
零件的工艺编制是否合理,直接关系到零件的加工能否达到质量要求;合理的工艺编制就能使各工序科学地衔接,实现优质、高产低消耗,使生产均衡、顺利地进行。同时,机床夹具在机械制造中也占有重要的地位,合理的夹具设计能可靠地保证工件的加工质量,提高加工效率,减轻劳动强度,充分发挥和扩大机床的工艺性能。可见这两者在机械制造行业中是至关重要的环节。本次设计的是减速箱箱体上 120孔的加工工艺及夹具设计,该孔精度要求较高,采有用镗床加工。在编制加工工艺时,要考虑到孔的各项精度以及形状与位置公差等。
在设计加工 150孔的专用夹具时,以箱座底面为基准,采用一面两销定位,通过连接螺栓将箱盖和箱座联结,并以定位销将其定位。为了降低成本、减少装夹时间,采用凸轮联动夹紧装置。逆时针转动手柄时,在拉伸弹簧的作用下,压板松开,放入工件,顺时针转动手柄带动凸轮推动推杆,从而压紧工件。
关键词:工艺;夹具;定位;位置公差
目 录
摘 要 …Ⅰ
ABSTRACT Ⅱ
目录 1
第一章 零件的工艺分析 2
1.1 零件的作用 2
1.2分析零件的技术要求 2
1.3 零件生产类型的确定 4
第二章 零件的工艺规程设计 5
2.1 确定毛坯的制造形式 5
2.2 定位基准的选择 5
2.3 零件表面加工方法的选择 6
2.4 制订工艺路线 7
2. 5加工余量和工序的确定 8
2.6 工序设计 10
2.7 确定切削用量及基本工时 13
第三章 专用夹具设计 19
3.1 问题的提出 19
3.2 定位方案及定位元件的选择 19
3.3 夹紧方案及夹紧元件的选择 21
3.4 夹具体的选择 23
3.5 自锁条件的计算 23
3.6 夹紧力的计算 24
3.7 定位误差 的计算 25
3.7 夹具的使用 27
第四章 展望与体会 27
参考文献 28
温馨提示:
1、题目前面的备注【字母数字编号】为本站整理分类的编号,与课题内容无关,请选题时忽视;
2、若题目上备注三维,则表示文件里包含三维源文件,由于三维组成零件数量较多,为保证预览截图的简洁性,本站将三维文件夹进行了打包。三维及CAD预览截图,均为本站电脑打开软件进行截图的,保证能够打开,下载原件超高清,下载后解压即可;
3、本站所有资源如无特殊说明,都需要本地电脑安装Office2007。图纸软件为AutoCAD,PROE,UG,SolidWorks,CATIA等;
4、本站所有图文资料仅供用户学习参考,不作为任何商用或其他用途;
5、本站不保证下载资源的准确性、安全性和完整性, 不包修改,不支持退换,同时也不承担用户因使用这些下载资源对自己和他人造成任何形式的伤害或损失;
6、 下载文件中如有侵权或不适当内容,请与我们联系,我们立即纠正。