

作品包括:
Word版说明书1份,共31页,1.1万字
工序卡10张
工艺过程卡1张
CAD版本图纸,共5张

摘要
本次设计内容涉及了机械制造工艺及机床夹具设计、金属切削机床、公差配合与测量等多方面的知识。
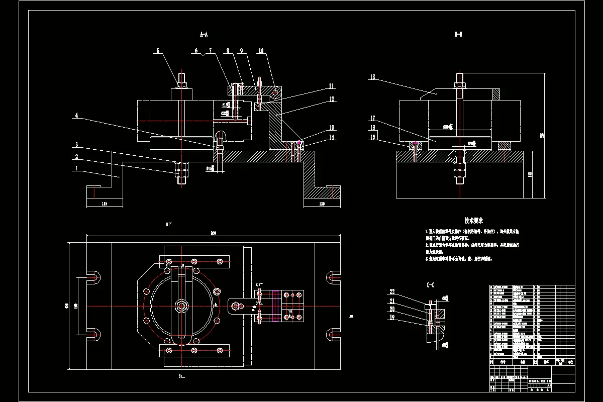
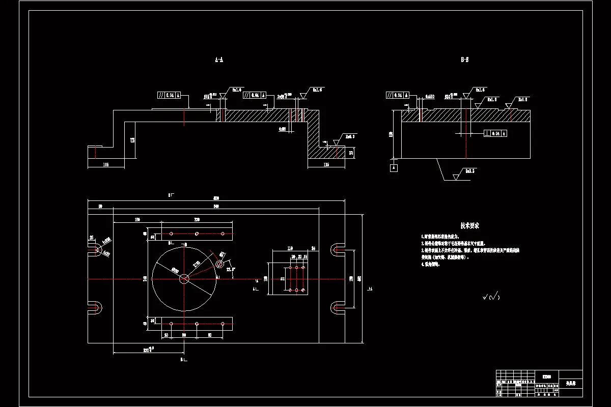
轴承座加工工艺规程及其钻Φ10孔的夹具是包括零件加工的工艺设计、工序设计以及专用夹具的设计三部分。在工艺设计中要首先对零件进行分析,了解零件的工艺再设计出毛坯的结构,并选择好零件的加工基准,设计出零件的工艺路线;接着对零件各个工步的工序进行尺寸计算,关键是决定出各个工序的工艺装备及切削用量;然后进行专用夹具的设计,选择设计出夹具的各个组成部件,如定位元件、夹紧元件、引导元件、夹具体与机床的连接部件以及其它部件;计算出夹具定位时产生的定位误差,分析夹具结构的合理性与不足之处,并在以后设计中注意改进。
关键词:轴承座;夹具设计、工艺路线
目录
摘要I
Abstract II
绪论1
1计算生产纲领、确定生产类型2
1.1生产纲领2
1.2生产类型2
2零件分析3
2.1零件的结构分析3
2.2零件的技术要求分析3
2.2.1加工表面的加工精度和形状精度3
2.2.2主要加工表面之间的相互位置精度4
2.2.3加工表面的粗糙度4
3工艺规程设计5
3.1定位基准的选择5
3.1.1粗基准的选择5
3.1.2精基准的选择5
3.2制定加工工艺路线6
3.3选择加工设备及工艺装备7
3.4加工工序设计、工序尺寸计算8
3.5选择切削用量、确定时间定额9
4机床专用夹具设计21
4.1专用夹具的提出21
4.2夹具总体方案设计21
4.3夹具设计21
4.3.1定位元件设计21
4.3.2夹紧元件设计21
4.3.3夹具体设计22
4.4定位元件定位误差分析和计算22
4.5夹紧机构设计和夹紧力计算23
4.5.1确定驱动机构23
4.5.2夹紧力计算23
4.5钻套的设计23
总结25
致谢26
参考文献27
温馨提示:
1、题目前面的备注【字母数字编号】为本站整理分类的编号,与课题内容无关,请选题时忽视;
2、若题目上备注三维,则表示文件里包含三维源文件,由于三维组成零件数量较多,为保证预览截图的简洁性,本站将三维文件夹进行了打包。三维及CAD预览截图,均为本站电脑打开软件进行截图的,保证能够打开,下载原件超高清,下载后解压即可;
3、本站所有资源如无特殊说明,都需要本地电脑安装Office2007。图纸软件为AutoCAD,PROE,UG,SolidWorks,CATIA等;
4、本站所有图文资料仅供用户学习参考,不作为任何商用或其他用途;
5、本站不保证下载资源的准确性、安全性和完整性, 不包修改,不支持退换,同时也不承担用户因使用这些下载资源对自己和他人造成任何形式的伤害或损失;
6、 下载文件中如有侵权或不适当内容,请与我们联系,我们立即纠正。