

作品包括:
Word版说明书1份,共38页,约13000字
工序卡7张
工艺过程卡1张
CAD版本图纸,共8张
三维零件图1张

摘要
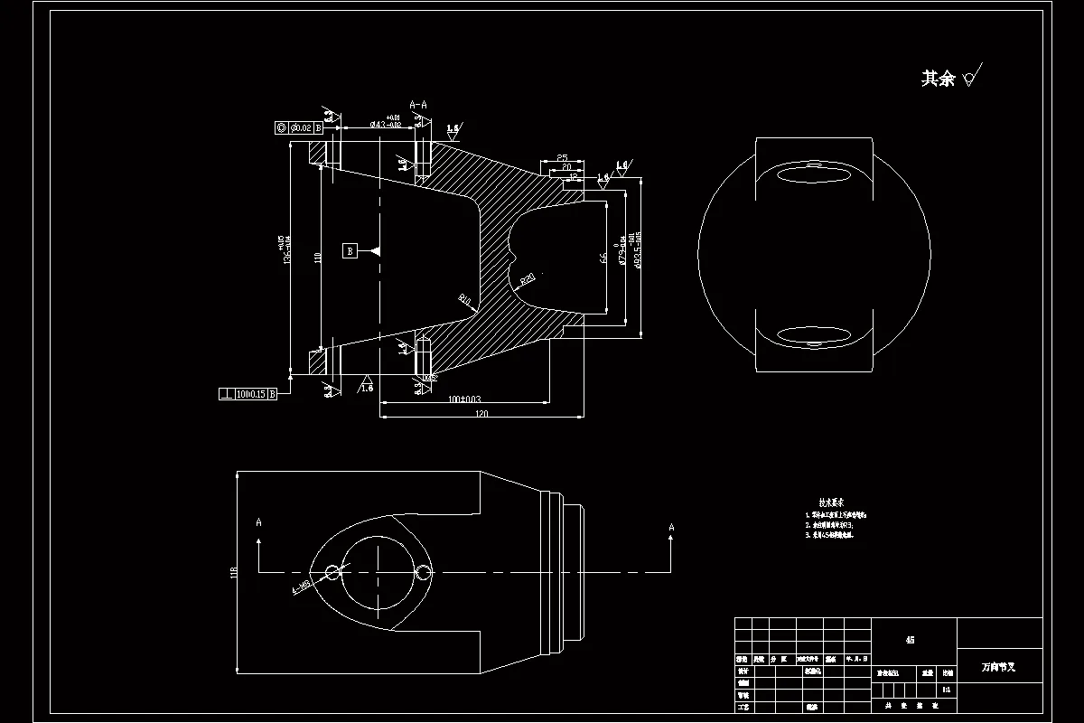
论述万向节叉零件加工工艺及夹具设计,研究零件机械加工工艺规程的设计问题,介绍工艺规程的组成、制定路线等。说明零件的机械加工工艺结构性,结合生产主要从零件分析、毛坯的选择、工艺路线的拟定、工序内容的确定等几个方面详细的讲述了万向节叉零件工艺过程设计以及工艺编制中应注意的问题,以及如何才能达到最理想的表面质量和经济效益。
针对设计给定的题目,设计钻削上端面2-M8的专用钻床夹具。夹具设计包括:设计出对零件进行定位,夹紧,还有引导的各个元件。在这里尤其要注意的是,夹具在定位零部件的时候,会产生误差,这个误差要在的合理控制范围以内,要充分了解夹具的优缺点,以便改进。
关键词:万向节、加工工艺、钻床夹具、设计
目录
摘要I
ABSTRACT II
序言1
0.1机床夹具的概述1
0.2机床夹具的组成及分类1
0.2.1机床夹具的组成1
0.2.2机床夹具的分类2
0.3机床夹具的发展方向2
0.4机床夹具在机械加工中的作用3
0.5夹具设计的特点和基本要求4
0.5.1夹具设计的特点4
0.5.2设计的基本要求4
一零件分析5
1.1零件的作用5
1.2零件的工艺分析5
1.2.1零件的组成表面5
1.2.2零件的技术要求6
1.2.3零件的形位公差6
二工艺路线设计7
2.1确定毛坯的制造形式7
2.2基面的选择8
2.3制定工艺路线9
2.4机械加工余量、工序尺寸及毛坯尺寸的确定11
2.5确定切削用量及基本工时12
三钻床专用夹具设计24
3.1夹具设计概述24
3.2方案设计24
3.2.1定位方案的设计24
3.2.2定位元件的确定25
3.2.3夹紧方案的确定25
3.2.4夹紧元件的确定26
3.2.5夹具体的设计26
3.3切削力的计算27
3.4夹紧力的计算27
3.5定位误差分析28
3.6导向装置设计28
总结31
致谢32
参考文献33
温馨提示:
1、题目前面的备注【字母数字编号】为本站整理分类的编号,与课题内容无关,请选题时忽视;
2、若题目上备注三维,则表示文件里包含三维源文件,由于三维组成零件数量较多,为保证预览截图的简洁性,本站将三维文件夹进行了打包。三维及CAD预览截图,均为本站电脑打开软件进行截图的,保证能够打开,下载原件超高清,下载后解压即可;
3、本站所有资源如无特殊说明,都需要本地电脑安装Office2007。图纸软件为AutoCAD,PROE,UG,SolidWorks,CATIA等;
4、本站所有图文资料仅供用户学习参考,不作为任何商用或其他用途;
5、本站不保证下载资源的准确性、安全性和完整性, 不包修改,不支持退换,同时也不承担用户因使用这些下载资源对自己和他人造成任何形式的伤害或损失;
6、 下载文件中如有侵权或不适当内容,请与我们联系,我们立即纠正。