

作品包括:
Word版说明书1份,共37页,约10000字
工序卡10张
工艺过程卡1张
CAD版本图纸,共4张

摘要
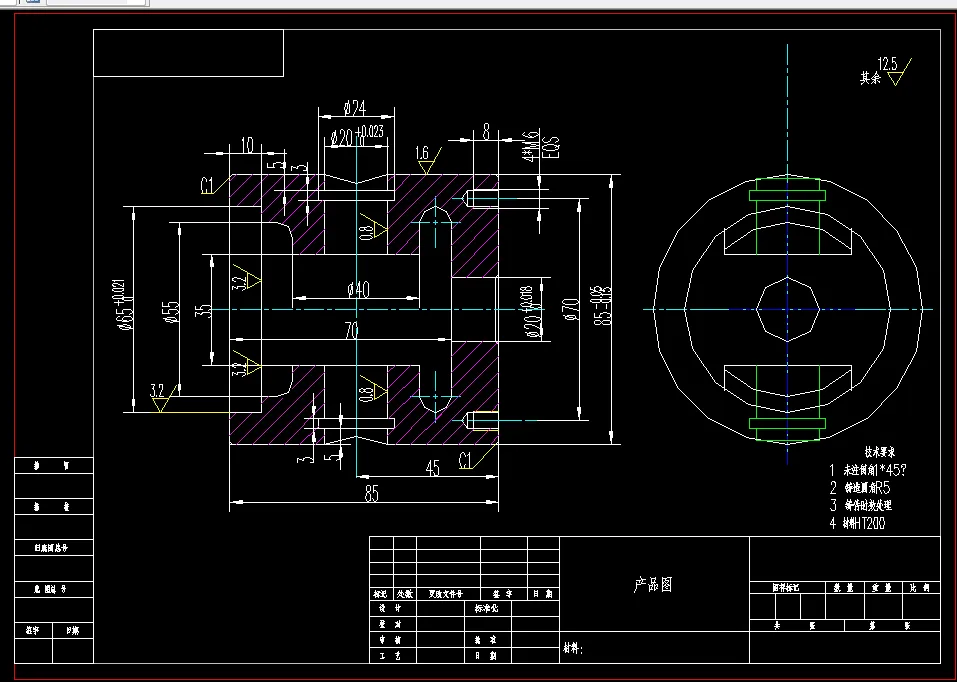
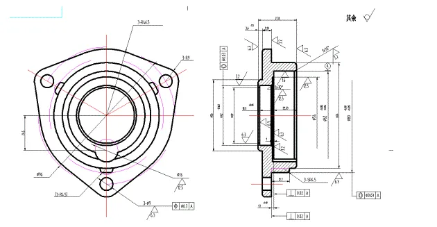
本次设计的内容是摇臂支架机械加工工艺规程及车2XФ12左外圆夹具设计,具体如下:
1、零件分析,主要是零件作用的分析和工艺分析,根据零件图提出的加工要求,确定毛坯的制造形式和尺寸的确定。
2、选择基面,确定加工过程中的粗基准和精基准。根据选好的基准,制订工艺路线。根据已经选定的工序路线,确定每一步的切削用量及基本工时,并选择合适的机床和刀具。
3、设计车削装夹夹具。对定位方案及元件,夹紧方案及元件进行确定,然后计算切削力、夹紧力和定位误差的分析等。完成夹具装配图及夹具体图的绘制等。
目录
1零件分析和毛坯设计1
1.1零件工艺分析及生产类型确定1
1.1.1零件的组成表面分析1
1.1.2零件的技术要求分析2
1.1.3零件的形位公差分析2
1.1.4零件生产类型的确定2
1.2毛坯类型及毛坯图设计3
2机械加工工艺规程设计4
2.1零件基准的选择4
2.2零件加工工艺方案的拟定5
2.3零件加工设备及装备的选择5
2.4机械加工余量的确定6
2.5加工工序切削用量及时间定额的计算9
3专用夹具设计24
3.1工序内容及加工要求24
3.2定位基准24
3.3夹具结构设计及工作流程24
3.4设计定位方案应满足的要求25
3.5定位方案的确定25
3.6定位元件的确定26
3.7夹紧方案的确定26
3.8夹紧元件的确定27
3.9夹具体的设计27
3.10计算切削力28
3.11计算夹紧力29
3.12定位误差的分析30
结论31
致谢32
温馨提示:
1、题目前面的备注【字母数字编号】为本站整理分类的编号,与课题内容无关,请选题时忽视;
2、若题目上备注三维,则表示文件里包含三维源文件,由于三维组成零件数量较多,为保证预览截图的简洁性,本站将三维文件夹进行了打包。三维及CAD预览截图,均为本站电脑打开软件进行截图的,保证能够打开,下载原件超高清,下载后解压即可;
3、本站所有资源如无特殊说明,都需要本地电脑安装Office2007。图纸软件为AutoCAD,PROE,UG,SolidWorks,CATIA等;
4、本站所有图文资料仅供用户学习参考,不作为任何商用或其他用途;
5、本站不保证下载资源的准确性、安全性和完整性, 不包修改,不支持退换,同时也不承担用户因使用这些下载资源对自己和他人造成任何形式的伤害或损失;
6、 下载文件中如有侵权或不适当内容,请与我们联系,我们立即纠正。