

作品包括:
说明书1份,共28页,约6000字左右
CAD版本本图纸,共5张
Proe三维图一份

目 录
第1章 绪论1
第2章 机械工艺规程设计3
2.1设计工艺规程的内容及步骤3
2.1.1熟悉原始资料对零件进行工艺分析4
2.1.2定为基准的选择5
2.2计算零件的生产纲领、确定生产类型6
2.3选择毛坯类型和制造方法7
2.4工艺路线的拟定7
2.5机械加工余量,毛坯尺寸及工序尺寸的确定7
2.6确定切削用量及基本时间、辅助时间9
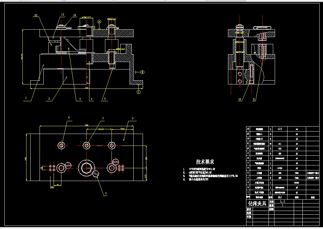
第3章 钻床夹具设计17
3.1夹具设计分析17
3.2夹具设计18
3.2.1专用夹具设计的基本要求18
3.2.2专用夹具的设计步骤18
3.2.3.定位基准的选择19
第4章 夹具三维造型...............................................................20
总结.....................................................................................23
参考文献............................................
温馨提示:
1、题目前面的备注【字母数字编号】为本站整理分类的编号,与课题内容无关,请选题时忽视;
2、若题目上备注三维,则表示文件里包含三维源文件,由于三维组成零件数量较多,为保证预览截图的简洁性,本站将三维文件夹进行了打包。三维及CAD预览截图,均为本站电脑打开软件进行截图的,保证能够打开,下载原件超高清,下载后解压即可;
3、本站所有资源如无特殊说明,都需要本地电脑安装Office2007。图纸软件为AutoCAD,PROE,UG,SolidWorks,CATIA等;
4、本站所有图文资料仅供用户学习参考,不作为任何商用或其他用途;
5、本站不保证下载资源的准确性、安全性和完整性, 不包修改,不支持退换,同时也不承担用户因使用这些下载资源对自己和他人造成任何形式的伤害或损失;
6、 下载文件中如有侵权或不适当内容,请与我们联系,我们立即纠正。