

作品包括:
Word版说明书1份,共40页,约16000字
工序卡7张
工艺过程卡1张
CAD版本图纸,共11张
3D零件图1张


摘要
夹具设计对每一个学生而言都是必不可少的,夹具的设计和研究为今后的学生和工作将提供很大的帮助。
本文设计的任务是接头零件造型及工艺工装设计。在充分了解零件的结构后,完成零件的三维实体造型,对其毛坯尺寸、制造类型、基准、加工的工艺路线进行了确定;然后依据设计的加工工艺路线,对每一个工序进行计算。
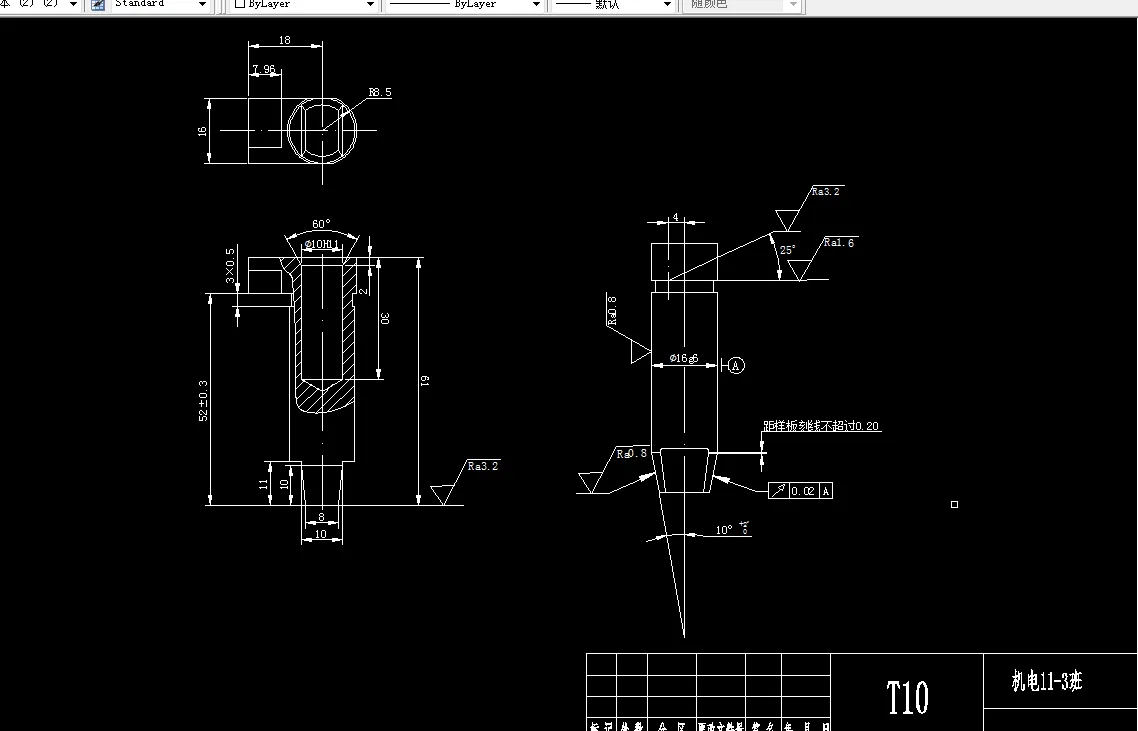
本次设计出的钻Φ10圆柱孔专用钻床夹具,在减少停机时间的同时,还提高生产效率。在进行该专用夹具设计的时候,首先应该是建立在对零件的工艺进行分析、选择粗精基准、进行必要计算的基础上。该夹具在设计之初就注重结构工艺性,所以本次设计的夹具结构简易、紧凑,操作起来也比较方便灵活。更重要的是它在提高生产效率方面所起的作用尤为突出,体现了这次设计的主旨。
关键词:接头、工艺工装、钻Φ10圆柱孔、夹具设计
目录
摘要I
ABSTRACT II
1绪论1
1.1工艺过程1
1.1.1生产过程与工艺过程1
1.1.2机械加工工艺过程的组成1
1.1.3机械加工生产类型和特点2
1.2机械加工工艺规程3
1.2.1概述3
1.2.2机械加工艺规程的作用3
1.2.3工艺规程制订的原则3
1.3机械加工的生产率及技术经济分析4
1.3.1机械加工时间定额的组成4
1.3.2提高机械加工生产率的途径5
1.3.3机械加工技术经济分析的方法5
2零件的分析6
2.1零件的作用6
2.2零件的分析6
2.2.1零件的工艺分析6
2.2.2零件结构分析6
2.2.3零件的技术要求分析7
2.2.4零件的组成表面7
2.2.5零件的技术要求7
2.2.6零件的形位公差7
3零件工艺规程的设计8
3.1零件生产类型的确定8
3.2确定零件的材料及制造方式8
3.3选择加工的定位基准9
3.4加工工艺路线的制定9
3.5加工方法、加工刀具及量具的选用11
3.6各工序工步加工余量的计算12
3.7确定切削用量及基本工时14
4专用夹具设计18
4.1确定定位方案、定位元件18
4.1.1确定定位方案18
4.1.2确定定位元件18
4.2确定夹紧方案、夹紧元件21
4.2.1确定夹紧方案21
4.2.2确定夹紧元件22
4.3确定夹具体22
4.4确定导向装置23
4.5钻削力计算23
4.6定位误差分析24
4.7加工精度误差分析24
结论25
致谢26
参考文献27
温馨提示:
1、题目前面的备注【字母数字编号】为本站整理分类的编号,与课题内容无关,请选题时忽视;
2、若题目上备注三维,则表示文件里包含三维源文件,由于三维组成零件数量较多,为保证预览截图的简洁性,本站将三维文件夹进行了打包。三维及CAD预览截图,均为本站电脑打开软件进行截图的,保证能够打开,下载原件超高清,下载后解压即可;
3、本站所有资源如无特殊说明,都需要本地电脑安装Office2007。图纸软件为AutoCAD,PROE,UG,SolidWorks,CATIA等;
4、本站所有图文资料仅供用户学习参考,不作为任何商用或其他用途;
5、本站不保证下载资源的准确性、安全性和完整性, 不包修改,不支持退换,同时也不承担用户因使用这些下载资源对自己和他人造成任何形式的伤害或损失;
6、 下载文件中如有侵权或不适当内容,请与我们联系,我们立即纠正。