

作品包括:
Word版说明书1份,共48页,约15000字
工序卡11张
工艺过程卡1张
CAD版本图纸,共4张

目 录
第1章 绪 论 1
1.1 课题研究的意义及现状 1
1.2 夹具领域的发展方向 1
1.3设计的主要内容 2
第2章 零件分析 4
2.1 零件的主要作用 4
2.2 分析以及选择材料 4
2.3 工艺分析 4
第3章 工艺规程的设计 5
3.1 确定零件的生产类型 5
3.2 确定毛坯 5
3.3 基准的选择 6
3.4 工艺路线安排 6
3.5 加工设备与工艺设备的选择 8
3.6 切削用量 9
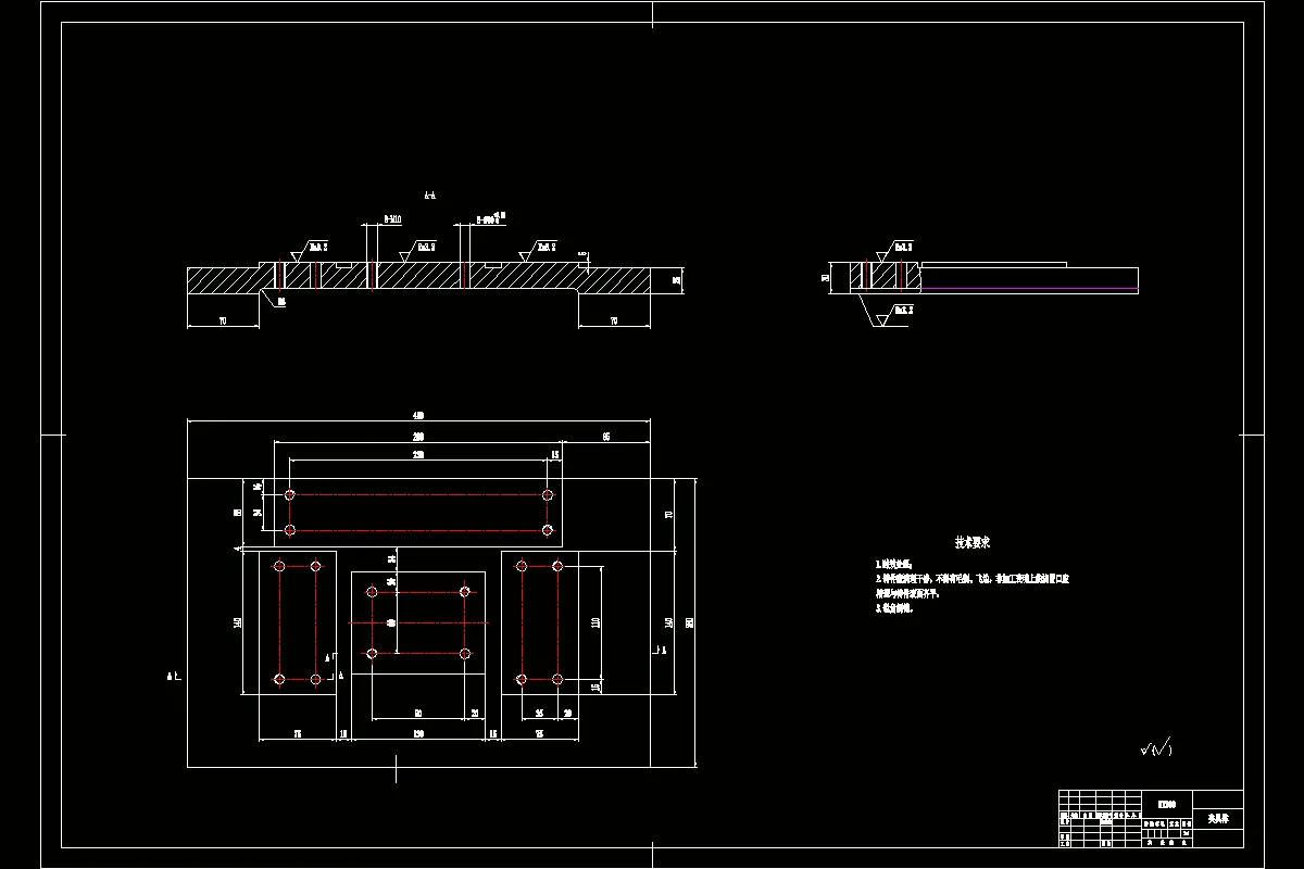
第4章 钻4×Φ9孔夹具设计 40
4.1 选择定位基准 40
4.2 确定夹具的结构以及夹紧机构的方案 40
4.2.1确定夹具的结构 40
4.2.2夹紧机构的设计 40
4.3 设计整体夹具装配图 40
4.4 切削力的计算 41
4.4.1切削力计算 41
4.4.2计算螺旋夹紧机构夹紧力 41
4.5 分析与计算误差 41
4.6 引导装置 42
结 论 44
致 谢 45
参考文献 46
温馨提示:
1、题目前面的备注【字母数字编号】为本站整理分类的编号,与课题内容无关,请选题时忽视;
2、若题目上备注三维,则表示文件里包含三维源文件,由于三维组成零件数量较多,为保证预览截图的简洁性,本站将三维文件夹进行了打包。三维及CAD预览截图,均为本站电脑打开软件进行截图的,保证能够打开,下载原件超高清,下载后解压即可;
3、本站所有资源如无特殊说明,都需要本地电脑安装Office2007。图纸软件为AutoCAD,PROE,UG,SolidWorks,CATIA等;
4、本站所有图文资料仅供用户学习参考,不作为任何商用或其他用途;
5、本站不保证下载资源的准确性、安全性和完整性, 不包修改,不支持退换,同时也不承担用户因使用这些下载资源对自己和他人造成任何形式的伤害或损失;
6、 下载文件中如有侵权或不适当内容,请与我们联系,我们立即纠正。