

作品包括:
说明书1份,共33页,约11000字左右
工序卡一张
过程卡一张
CAD图纸,共4张

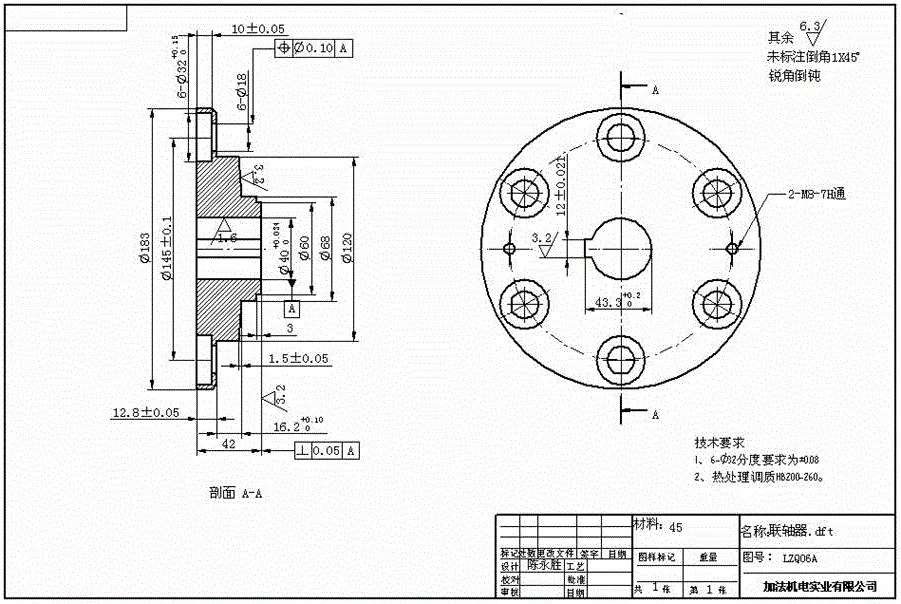
自行车右曲柄工艺及钻φ9孔夹具设计
摘 要
近年来随着机械行业的飞速发展,机械生产已从传统生产方式向机械自动化方式转换。为保证加工要求,需要设计与加工方式所对应的机床夹具。本次毕业设计研究的对象是自行车曲柄,主要任务是规划加工工艺和设计生产加工所需要的夹具。对于工装设计来说,制定加工工艺规程是非常重要的一步。首先要对曲柄进行全面的分析,确定曲柄的作用和曲柄基本参数。了解曲柄各个表面的加工要求,然后确定曲柄毛坯制造形式,毛坯的制造方式又和零件的材料、形状以及产量等方面因素有关。最后制定生产工序和加工要求。对于本次工装设计制定了三套夹具,包括一套铣床夹具和两套钻床夹具,设计一套夹具首先要考虑的是定位,必须限制所有需要限制的自由度。其次,是夹紧装置的选用,保证零件在加工过程中不受切削力的影响而发生任何方向的移动。同时还要计算夹具的定位误差,确定加工所用的机床和刀具。最后还需要对整个夹具的尺寸、形状和可行性等进行评估。
关键字 曲柄;夹具;加工工艺
目录
第1章 绪论 1
1.1 引言 1
1.2 机械加工工艺规程的作用 1
1.3 机械加工工艺规程的设计原则 2
1.4 课题背景及发展趋势 3
1.5 本章小结 3
第2章 工艺规程设计 5
2.1 毛坯的制造形式 5
2. 2 零件分析 5
2.3 基准的选择 6
2.3.1 精基准选择的原则 6
2.3.2 粗基准的选择原则 7
2.4制定工艺路线 8
2.5毛坯尺寸、机械加工余量、工序尺寸的确定 9
2.6确定切削用量及基本工时 10
2.7 本章小结 22
第3章 曲柄的夹具设计 24
3.1钻床夹具设计 24
3.1.1定位装置的设计 24
3.1.2 夹紧装置的设计 25
3.1.3 钻床夹具体的示意图 26
3.2 本章小结 26
结 论 27
致 谢 29
参考文献 30
温馨提示:
1、题目前面的备注【字母数字编号】为本站整理分类的编号,与课题内容无关,请选题时忽视;
2、若题目上备注三维,则表示文件里包含三维源文件,由于三维组成零件数量较多,为保证预览截图的简洁性,本站将三维文件夹进行了打包。三维及CAD预览截图,均为本站电脑打开软件进行截图的,保证能够打开,下载原件超高清,下载后解压即可;
3、本站所有资源如无特殊说明,都需要本地电脑安装Office2007。图纸软件为AutoCAD,PROE,UG,SolidWorks,CATIA等;
4、本站所有图文资料仅供用户学习参考,不作为任何商用或其他用途;
5、本站不保证下载资源的准确性、安全性和完整性, 不包修改,不支持退换,同时也不承担用户因使用这些下载资源对自己和他人造成任何形式的伤害或损失;
6、 下载文件中如有侵权或不适当内容,请与我们联系,我们立即纠正。