

作品包括:
word说明书一份,共25页,约7300字
工艺卡一份
过程卡一份
CAD版本图纸,共4张

摘 要
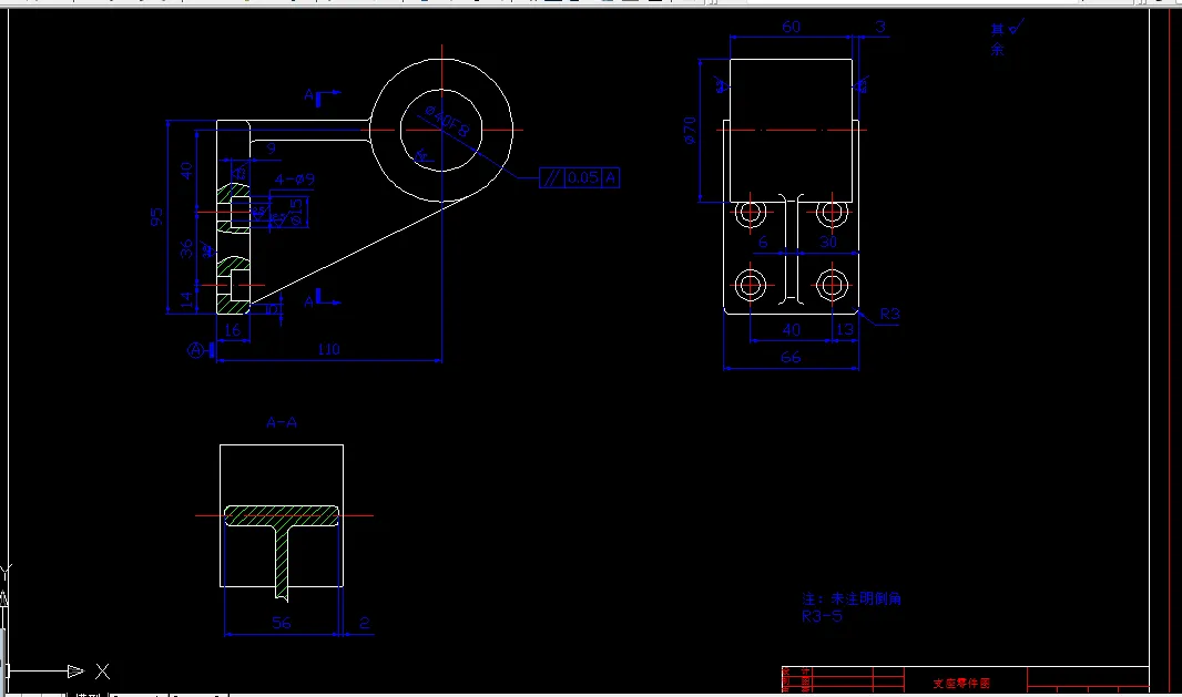
设计的内容是升降杆轴承座,主要包括两个部分,一是升降杆轴承座的加工工艺分析,二是针对于铣削 两端面工序进行加工的专用夹具的设计。设计内容为设计升降杆轴承座零件的机械加工工艺规程,并绘制出零件图、毛坯图、夹具体零件图和夹具装配图,填写机械加工工艺过程综合卡片和编制所设计夹具对应的那道工序的机械加工工工艺卡片,并编制课程设计说明书。
通过此次课程设计,对于机械制造技术基础,机械加工工艺过程分析的理解,我都有了一个很大的提高,以前只是停留于书本字面上的意思,而现在因为要自己设计夹具,自己设计加工的工艺过程,就必须对这些理论知识有一个形象的认识,通过这次课程设计,对于各加工特点及机床的优化选择上有了很大的提高;对于夹具的设计方面,从定位、夹紧、导向等各个方面有了更进一步的认识。可以说,这次设计是一次很成功的设计,并且要感谢老师对我无私的援助!
目 录
1零件工艺性分析……………………………………………1
1.1零件的作用……………………………………………1
1.2零件的工艺性分析……………………………………1
1.2.1以 的中心加工表面……………………2
1.2.2以82mm×110mm的矩形加工表面………………2
2零件工艺规程………………………………………………2
2.1确定毛坏制造形式……………………………………2
2.2基准的选择……………………………………………2
2.2.1粗基准的选择……………………………………2
2.2.2精基准的选择……………………………………2
2.3制定工艺路线…………………………………………3
2.3.1工艺路线方案……………………………………3
2.3.2工艺路线的分析…………………………………3
2.4加工余量及工序尺寸确定……………………………4
2.5确定切削用量及基本工时……………………………5
2.5.1工序一……………………………………………5
2.5.2工序二……………………………………………6
2.5.3工序三……………………………………………7
2.5.4工序四……………………………………………9
2.5.5工序五……………………………………………12
2.5.6工序六……………………………………………13
3夹具设计……………………………………………………14
3.1问题的提出……………………………………………14
3.2夹具设计………………………………………………14
3.2.1定位基准的选择…………………………………14
3.2.2定位误差分析……………………………………14
3.2.3加紧装置的设计…………………………………15
3.2.4夹具体设计………………………………………16
4夹具设计的体会与展望……………………………………17
5参考文献……………………………………………………19
温馨提示:
1、题目前面的备注【字母数字编号】为本站整理分类的编号,与课题内容无关,请选题时忽视;
2、若题目上备注三维,则表示文件里包含三维源文件,由于三维组成零件数量较多,为保证预览截图的简洁性,本站将三维文件夹进行了打包。三维及CAD预览截图,均为本站电脑打开软件进行截图的,保证能够打开,下载原件超高清,下载后解压即可;
3、本站所有资源如无特殊说明,都需要本地电脑安装Office2007。图纸软件为AutoCAD,PROE,UG,SolidWorks,CATIA等;
4、本站所有图文资料仅供用户学习参考,不作为任何商用或其他用途;
5、本站不保证下载资源的准确性、安全性和完整性, 不包修改,不支持退换,同时也不承担用户因使用这些下载资源对自己和他人造成任何形式的伤害或损失;
6、 下载文件中如有侵权或不适当内容,请与我们联系,我们立即纠正。