

作品包括:
Word版说明书1份,共22页,约10000字
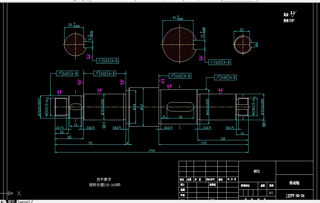
CAD版本图纸,共3张
工序卡一张
工艺过程卡一张

目录
第一章 轴类零件技术要求..............................................................................................................7
一、尺寸精度 7
二、几何形状精度 7
三、 相互位置精度 7
四、表面粗糙度 7
第二章 轴类零件的毛胚和材料 8
第一节 轴类零件的毛胚 8
第二节 轴类零件的材料 8
第三章 轴类零件一般加工要求及方法 8
第一节 轴类零件加工工艺规程注意点 9
第二节 轴类零件加工的技术要求 9
第三节 轴类零件的热处理 10
第四章 轴类零件工艺路线 10
一、传承轴图样分析 12
二、确定毛坯 12
三、 确定主要表面的加工方法 13
四、确定定位基准 13
五、划分阶段 13
六、热处理工序安排 13
七、加工尺寸和切削用量 14
八、 拟定工艺过程 14
第五章 夹具的设计 14
第一节 铣床夹具设计 14
一、六点定位原理 15
二、应用定位原理几种情况 16
(1)完全定位 16
(2)部分定位 16
(3)过定位(重复定位) 16
三、确定要限制的自由度 17
四、定位方案选择 17
五、计算定位误差 18
(1)夹紧方案 19
(2)对刀方案 19
(3)夹具体与定位键 19
(4)夹具总图上的尺寸、公差和技术要求 19
(5)夹具精度分析 20
第二节 各类铣床夹具 21
一、铣床夹具 21
(1)铣床夹具的分类 21
(2)铣床常用通用夹具的结构 21
(3)铣床夹具的设计特点 21
二、典型数控机床夹具 22
1、数控铣床夹具 23
2、数控铣削加工常用的夹具大致有以下几种: 23
结束语 25
谢 词 26
参考文献 27
温馨提示:
1、题目前面的备注【字母数字编号】为本站整理分类的编号,与课题内容无关,请选题时忽视;
2、若题目上备注三维,则表示文件里包含三维源文件,由于三维组成零件数量较多,为保证预览截图的简洁性,本站将三维文件夹进行了打包。三维及CAD预览截图,均为本站电脑打开软件进行截图的,保证能够打开,下载原件超高清,下载后解压即可;
3、本站所有资源如无特殊说明,都需要本地电脑安装Office2007。图纸软件为AutoCAD,PROE,UG,SolidWorks,CATIA等;
4、本站所有图文资料仅供用户学习参考,不作为任何商用或其他用途;
5、本站不保证下载资源的准确性、安全性和完整性, 不包修改,不支持退换,同时也不承担用户因使用这些下载资源对自己和他人造成任何形式的伤害或损失;
6、 下载文件中如有侵权或不适当内容,请与我们联系,我们立即纠正。