

作品包括:
Word版说明书1份,共56页,约15000字
工序卡10张
工艺过程卡1张
CAD版本图纸,共8张
SW三维图一份
![1754469526888124.webp %]SJ[69XA6EA2OR4Q@11S%2.webp](/static/upload/image/20250806/1754469526888124.webp)
摘要
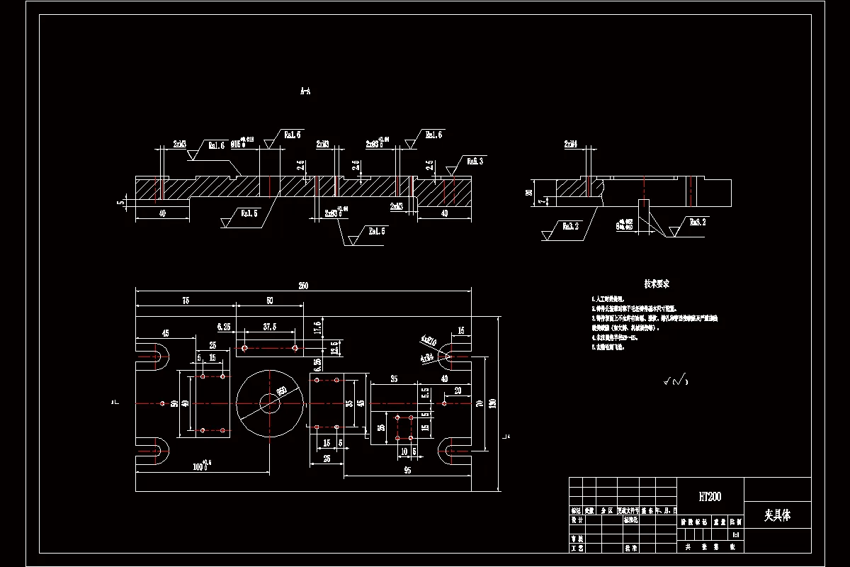
阀体壳加工工艺编制和主要工序夹具设计,从题目中可以看出主要分成两部分,阀体壳工艺编制和夹具设计。
阀体壳外形结构简单,内部结构复杂,精度最高的位置为内部,粗糙度Ra0.8,分析制定工艺路线时,需要把这些考虑在内,然后再依据市场行情及现有的资料,选择合理的刀具、设备并进行工时计算。
阀体专用夹具,我选择铣Φ18孔端面,机床为卧式铣床X60,夹具定位依据六点定位原理,选择标准定位元件;夹紧也是选择常用的移动压板夹紧机构;夹具的导向装置选择圆形对刀、平塞尺等。
第1章引言3
1.1机床夹具组成3
1.2夹具的作用3
1.3选题意义4
第2章零件图工艺分析5
2.1零件的应用5
2.2零件的图样分析5
2.3毛坯的制造方法6
2.4绘制毛坯图6
第3章拟定加工工艺路线8
3.1基准的选择8
3.2拟订加工工艺路线8
第4章零件工时计算11
第5章铣床夹具设计50
5.1问题的提出50
5.2确定定位元件50
5.3定位误差分析50
5.4切削力和夹紧力计算51
5.5简要操作说明53
参考文献54
致谢55
温馨提示:
1、题目前面的备注【字母数字编号】为本站整理分类的编号,与课题内容无关,请选题时忽视;
2、若题目上备注三维,则表示文件里包含三维源文件,由于三维组成零件数量较多,为保证预览截图的简洁性,本站将三维文件夹进行了打包。三维及CAD预览截图,均为本站电脑打开软件进行截图的,保证能够打开,下载原件超高清,下载后解压即可;
3、本站所有资源如无特殊说明,都需要本地电脑安装Office2007。图纸软件为AutoCAD,PROE,UG,SolidWorks,CATIA等;
4、本站所有图文资料仅供用户学习参考,不作为任何商用或其他用途;
5、本站不保证下载资源的准确性、安全性和完整性, 不包修改,不支持退换,同时也不承担用户因使用这些下载资源对自己和他人造成任何形式的伤害或损失;
6、 下载文件中如有侵权或不适当内容,请与我们联系,我们立即纠正。