

作品包括:
Word版说明书1份,共33页,约11000字
铸造工艺卡1张
CAD版本图纸,共6张
Proe三维零件图1张

目 录
1 前 言 1
1.1 本设计的目的、意义 1
1.2 零件结构特点分析 1
1.3 零件铸造工艺性分析 2
1.4 铸件材质特点 2
2 设计方案 4
2.1 造型材料的选择 4
2.2 浇注位置的选择 5
2.3 分型面的选择 6
3 铸造工艺参数的确定 8
3.1 铸件尺寸公差 8
3.2 铸件重量公差 8
3.3 机械加工余量 9
3.4 铸件收缩率 10
3.5 起模斜度 11
3.6 铸件最小壁厚和最小铸出孔 12
4 砂芯的设计 13
4.1 砂芯的设计方案 13
4.2 砂芯的固定 13
4.3 芯头的设计 14
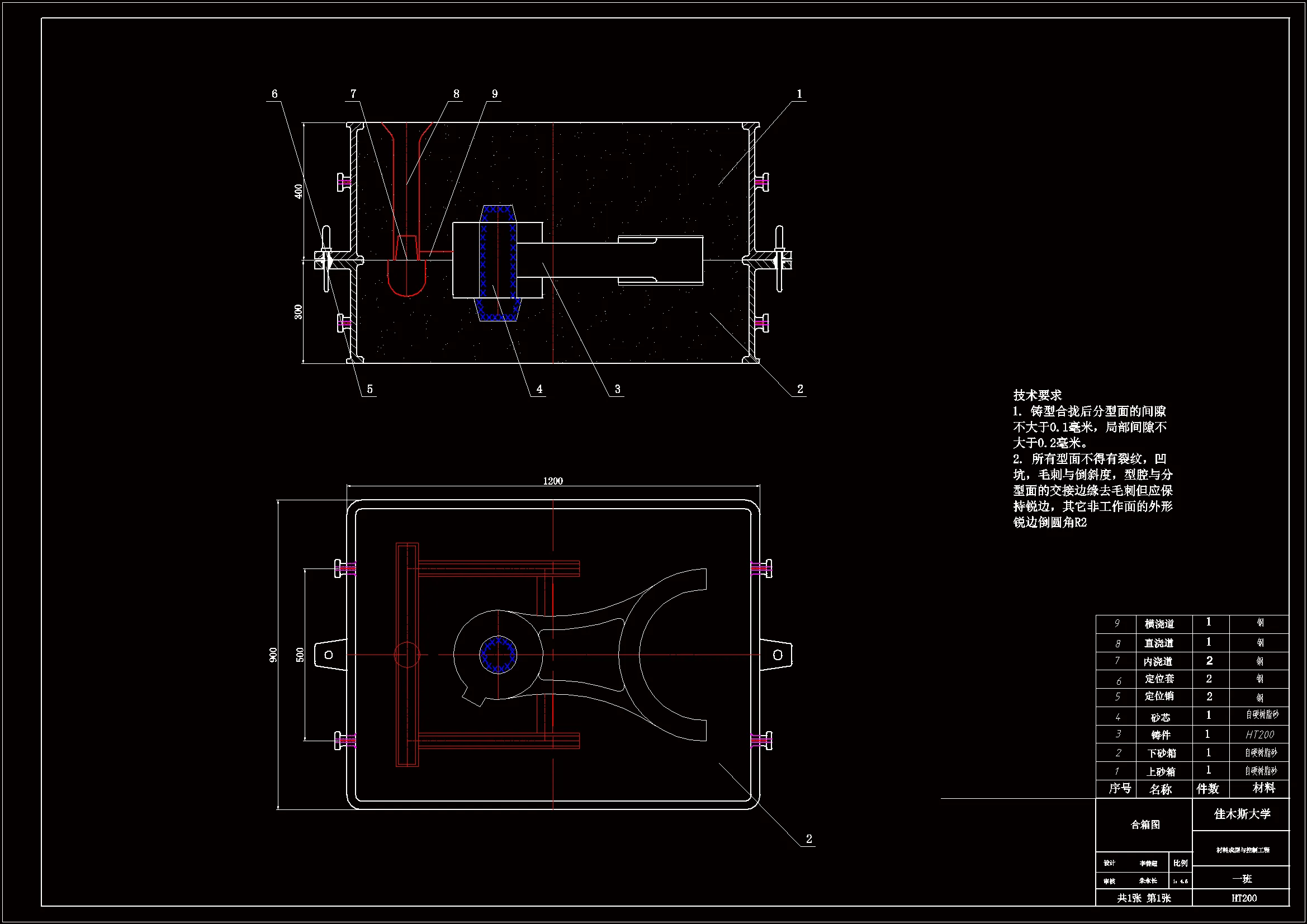
5 浇注系统的设计 15
5.1 浇注系统的组成及其各自作用 15
5.2 浇注时间的确定 16
5.3 平均静压头的确定 17
5.4 各浇道截面尺寸的确定 18
5.4.1 内浇道的设计 18
5.4.2 横浇道的设计 19
5.4.3 直浇道的设计 19
5.5 直浇道窝的设计 19
5.6 浇口杯的设计 20
6 冒口的设计 21
6.1 模数计算 21
6.2 实用冒口设计法 21
7 铸造工艺装备设计 23
7.1 模样 23
7.2 砂箱 24
7.2.1 砂箱尺寸设计 24
7.3 芯盒设计 25
7.3.1 芯盒的类型和材质 26
7.3.2 芯盒的材质 26
7.3.3 芯盒的结构设计 26
8 结 论 28
9 致谢 29
参 考 文 献 30
温馨提示:
1、题目前面的备注【字母数字编号】为本站整理分类的编号,与课题内容无关,请选题时忽视;
2、若题目上备注三维,则表示文件里包含三维源文件,由于三维组成零件数量较多,为保证预览截图的简洁性,本站将三维文件夹进行了打包。三维及CAD预览截图,均为本站电脑打开软件进行截图的,保证能够打开,下载原件超高清,下载后解压即可;
3、本站所有资源如无特殊说明,都需要本地电脑安装Office2007。图纸软件为AutoCAD,PROE,UG,SolidWorks,CATIA等;
4、本站所有图文资料仅供用户学习参考,不作为任何商用或其他用途;
5、本站不保证下载资源的准确性、安全性和完整性, 不包修改,不支持退换,同时也不承担用户因使用这些下载资源对自己和他人造成任何形式的伤害或损失;
6、 下载文件中如有侵权或不适当内容,请与我们联系,我们立即纠正。