

作品包括:
Word版说明书1份,共38页,约10800字
工序卡8张
工艺过程卡1张
CAD版本图纸,共8张

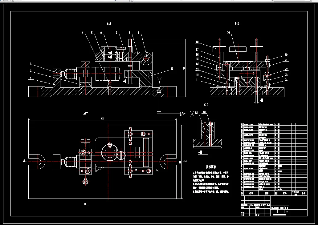
摘要:收到毕业设计课题之时,看到插入耳环零件图,觉得好简单,而且夹具也有参考,自己运气真是爆棚。后来经过指导老师指正和查询相关资料,才知道自己的想法太幼稚。镗床有卧式镗床和立式镗床,采用镗床不同则工件摆放就不同,我确定选择坐标镗床T4240,故插入耳环的Φ32孔竖着放,镗刀杆的导向则是采用镗套。
插入耳环的工艺制订与常规阶梯轴不同,既要方便夹具设计及后续的加工,也要满足插入耳环精度要求。镗Φ32孔夹具则是选择Φ35外圆,M27 1.5螺纹端面及一侧面定位;夹紧则是采用铰链夹紧机构,此结构简单,经济耐用,成本低。
关键词:插入耳环 工艺规程 夹具设计
目 录
摘要: 1
关键词: 1
Abstract: 1
Key Words: 1
0 引言 2
1 零件图工艺分析 4
1.1 零件的应用 4
1.2 零件的图样分析 4
1.3 毛坯的制造方法 5
1.4 绘制毛坯图 5
2 拟定加工工艺路线 7
2.1 确定表面加工方案 7
2.2 基准的选择 7
2.3 加工顺序的原则 8
2.4 拟订加工工艺路线 8
3 零件加工工序设计 10
3.1 机械加工余量、工序尺寸及其公差 10
3.2 确定各工序所使用的设备和工艺装备 10
3.3 确定各工序的切削用量和工时定额 11
4镗孔夹具设计 28
4.1 问题的提出 28
4.2 确定定位元件 28
4.3 定位误差分析 28
4.4 确定夹紧元件 30
4.5 切削力和夹紧力计算 30
4.6 夹具体设计 32
4.7 导向装置 32
4.8 简要操作说明 32
5 总结 33
参考文献 34
致 谢35
温馨提示:
1、题目前面的备注【字母数字编号】为本站整理分类的编号,与课题内容无关,请选题时忽视;
2、若题目上备注三维,则表示文件里包含三维源文件,由于三维组成零件数量较多,为保证预览截图的简洁性,本站将三维文件夹进行了打包。三维及CAD预览截图,均为本站电脑打开软件进行截图的,保证能够打开,下载原件超高清,下载后解压即可;
3、本站所有资源如无特殊说明,都需要本地电脑安装Office2007。图纸软件为AutoCAD,PROE,UG,SolidWorks,CATIA等;
4、本站所有图文资料仅供用户学习参考,不作为任何商用或其他用途;
5、本站不保证下载资源的准确性、安全性和完整性, 不包修改,不支持退换,同时也不承担用户因使用这些下载资源对自己和他人造成任何形式的伤害或损失;
6、 下载文件中如有侵权或不适当内容,请与我们联系,我们立即纠正。