

作品包括:
Word版说明书1份,共57页,约17000字
工序卡片9张
工艺过程卡1张
CAD版本图纸,共6张
SW三维零件图1张
![1697642659575906.webp F(R(~WZCFPF72]K`LNZS~CT.webp](/static/upload/image/20231018/1697642659575906.webp)
摘 要
制定泥浆泵偏心盘的加工工艺,设计钻5 Ф17孔的钻床夹具,运用机械制造工艺学课程中的基本理论以及在生产实习中学到的实践知识,正确地解决一个零件在加工中的定位,夹紧以及工艺路线安排,工艺尺寸确定等问题,保证零件的加工质量。提高结构设计能力。通过设计夹具的训练,获得根据被加工零件的加工要求,设计出高效,省力,经济合理而能保证加工质量的夹具的能力。学会使用手册以及图表资料。掌握与本设计有关的各种资料的名称,出处,能够做到熟练的运用。 毕业设计是我们对我所学知识的深入综合性的总结,也是一次理论联系实际的训练,因此,它在我们的大学生活中占有重要的地位。另外在做完这次毕业设计之后,我得到一次综合性训练,我在想我能在多个方面得到锻炼。就我个人而言,我希望通过这次毕业设计对自己未来将从事的工作进行一次适应性训练,从中锻炼自己发现问题、分析问题和解决问题的能力,为今后参加祖国建设打一个良好的基础。
关键词 :泥浆泵偏心盘;工艺分析;钻床夹具
目 录
摘 要 1
ABSTRACT 2
1.1机床夹具与生产技术准备 5
1.2 机床夹具的经济效益 5
1.3 设计课题 5
2 泥浆泵偏心盘零件分析 6
2.1 泥浆泵偏心盘的作用 6
2.2 泥浆泵偏心盘毛坯制造形式 7
2.3 泥浆泵偏心盘机械加工余量 7
3工艺规程设计 10
3.1 定位基准的选择 10
3.1.1精基准的选择 10
3.1.2粗基准的选择 10
3.2 制定加工工艺路线 10
3.3方案确定 12
3.4 专用夹具设计方案 13
4 选择切削用量、确定时间定额 14
4.1工序30 14
4.2工序40 17
4.3工序50 20
4.4工序60 25
4.5工序70 31
4.6工序80 36
4.7工序09 41
4.8工序100 44
4.9工序110 48
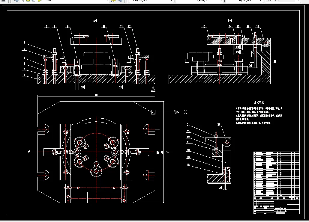
5钻床夹具设计 51
5.1 问题的提出 51
5.2夹具定位分析 51
5.3 定位误差分析 53
5.4 钻削力和夹紧力计算 54
5.4.1计算钻削力 54
5.4.2 计算夹紧力 54
5.5 引导装置 55
总 结 58
参考文献 59
温馨提示:
1、题目前面的备注【字母数字编号】为本站整理分类的编号,与课题内容无关,请选题时忽视;
2、若题目上备注三维,则表示文件里包含三维源文件,由于三维组成零件数量较多,为保证预览截图的简洁性,本站将三维文件夹进行了打包。三维及CAD预览截图,均为本站电脑打开软件进行截图的,保证能够打开,下载原件超高清,下载后解压即可;
3、本站所有资源如无特殊说明,都需要本地电脑安装Office2007。图纸软件为AutoCAD,PROE,UG,SolidWorks,CATIA等;
4、本站所有图文资料仅供用户学习参考,不作为任何商用或其他用途;
5、本站不保证下载资源的准确性、安全性和完整性, 不包修改,不支持退换,同时也不承担用户因使用这些下载资源对自己和他人造成任何形式的伤害或损失;
6、 下载文件中如有侵权或不适当内容,请与我们联系,我们立即纠正。