

作品包括:
说明书1份,共41页,约11000字左右
CAD版本本图纸,共3张
工序卡一张
过程卡一张
摘 要
本次设计是在我们学完了大学的全部基础课、技术基础课以及专业课之后进行的,这是我们在进行毕业之前,对所学各课程的一次深入的综合性的总复习,也是一次理论联系实际的训练。
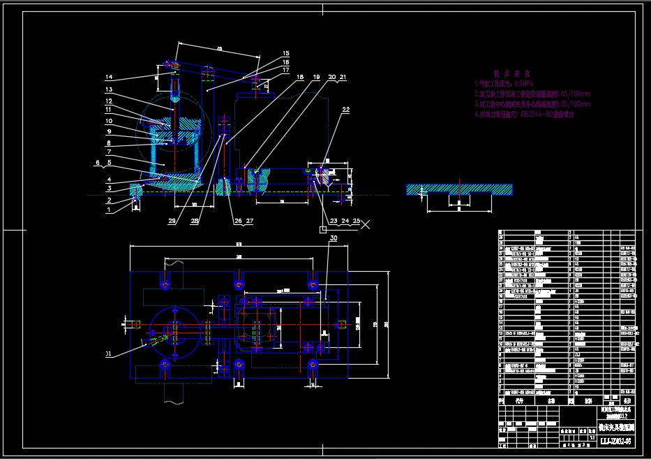
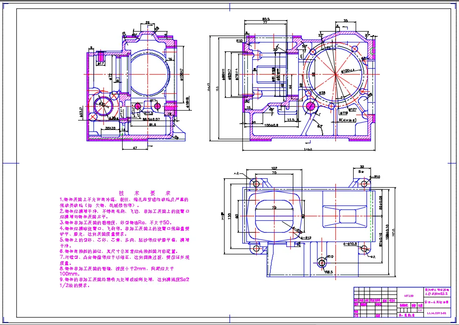
本人的毕业设计是对典型零件的工艺过程和工装进行设计,其典型零件是EM170A-01001型内燃机机体。在设计中主要是进行零件的毛坯尺寸的计算、工艺过程的设计、切削用量的计算和专用夹具的设计。
机体类零件在整个机器中的作用是:承载曲轴及其内部传动装备,并使其保持交好的相对位置。零件的下底面与机座相配合,其他平面与汽缸盖、端盖等配合,孔系主要与曲轴轴承和汽缸等配合。根据以上的作用来设计机体的加工过程和顺序将得到较好的工艺要求。
关键词:设计,典型零件,机体,工艺
目 录
中文摘要 Ⅰ
英文摘要 Ⅱ
第1章 生产纲领及生产类型 1
第2章 零件的分析 2
第3章 工艺规程的设计 3
3.1 确定毛坯的制造形成 3
3.2 基准的选择 3
3.2.1粗基准的选择 3
3.2.2精基准的选择 3
3.3制订工艺路线 3
3.4机械加工余量、工序尺寸及毛坯尺寸的确定 8
3.5确定切削用量及基本工时 11
第4章 专用夹具的设计 37
4.1问题的指出 37
4.2夹具设计 37
4.2.1定位基准的选择 37
4.2.2切削力及夹紧力的计算 37
参考文献 40
致谢 41
附录A:组合铣床示意图 42
温馨提示:
1、题目前面的备注【字母数字编号】为本站整理分类的编号,与课题内容无关,请选题时忽视;
2、若题目上备注三维,则表示文件里包含三维源文件,由于三维组成零件数量较多,为保证预览截图的简洁性,本站将三维文件夹进行了打包。三维及CAD预览截图,均为本站电脑打开软件进行截图的,保证能够打开,下载原件超高清,下载后解压即可;
3、本站所有资源如无特殊说明,都需要本地电脑安装Office2007。图纸软件为AutoCAD,PROE,UG,SolidWorks,CATIA等;
4、本站所有图文资料仅供用户学习参考,不作为任何商用或其他用途;
5、本站不保证下载资源的准确性、安全性和完整性, 不包修改,不支持退换,同时也不承担用户因使用这些下载资源对自己和他人造成任何形式的伤害或损失;
6、 下载文件中如有侵权或不适当内容,请与我们联系,我们立即纠正。