

作品包括:
Word版设计说明书1份
工艺卡一套
CAD版本图纸,共6张
摘要
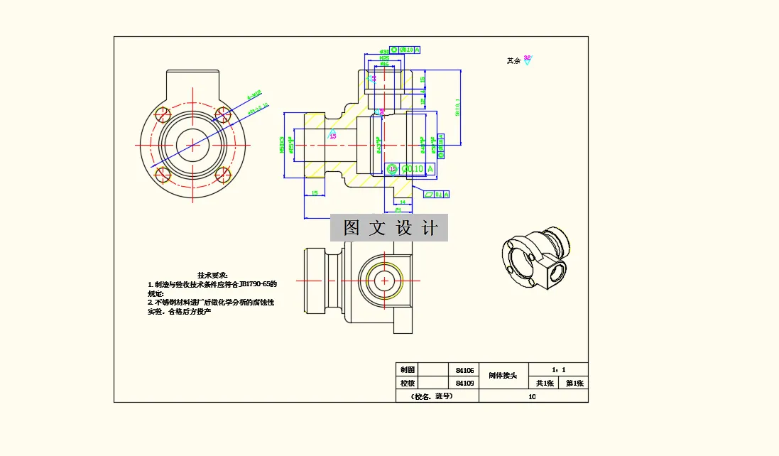
随着现代工业的快速发展,对机械加工的工艺加工方法有着更高的要求。本次课题主要对球心阀的基本结构设计,在到产品的装配过程有一个详细的设计过程。通过对球心阀的基本零件进行工艺分析,指定机加工工艺路线。并且通过工艺规程来计算切削用量,计算时定额,填写工艺流程图和工序卡。在设计过程中,针对加工精度要求较高的法兰和阀体进行工艺规程设计。根据已有的装配图绘制全套非标零件图。判断装配位置的配合尺寸。装配位置的连接方式等等,并根据装配图设计出合理的非标零件的图纸。
温馨提示:
1、题目前面的备注【字母数字编号】为本站整理分类的编号,与课题内容无关,请选题时忽视;
2、若题目上备注三维,则表示文件里包含三维源文件,由于三维组成零件数量较多,为保证预览截图的简洁性,本站将三维文件夹进行了打包。三维及CAD预览截图,均为本站电脑打开软件进行截图的,保证能够打开,下载原件超高清,下载后解压即可;
3、本站所有资源如无特殊说明,都需要本地电脑安装Office2007。图纸软件为AutoCAD,PROE,UG,SolidWorks,CATIA等;
4、本站所有图文资料仅供用户学习参考,不作为任何商用或其他用途;
5、本站不保证下载资源的准确性、安全性和完整性, 不包修改,不支持退换,同时也不承担用户因使用这些下载资源对自己和他人造成任何形式的伤害或损失;
6、 下载文件中如有侵权或不适当内容,请与我们联系,我们立即纠正。