

作品包括:
Word版说明书1份,共42页,约16000字
工序卡11张
工艺过程卡1张
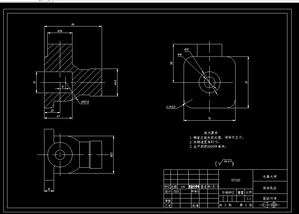
CAD版本图纸,共4张
SW三维图一套

目录
第一章 绪 论 5
1.1 课题研究的背景 5
1.2课题研究的意义及解决思路 6
1.3 本次设计的目的和预期成果 7
第2章 设计研究的零件分析 8
2.1 零件的功用、材料和性能 8
2.2零件的主要技术条件分析 8
2.3 形体分析 9
2.4 技术要求分析 10
2.5 零件的工艺性分析 11
2.5.1 工艺性分析 11
2.5.2 零件的工艺性 11
2.5.3 零件的加工工艺性分析 11
第3章 毛坯设计 13
3.1 生产纲领 13
3.2 毛坯制造方法 13
3.3 毛坯尺寸确定 14
3.4 毛坯简图(见附图) 14
第4章 零件加工工艺方案的拟定 16
4.1 加工顺序的安排 16
4.1.1 机械加工工序的安排原则 16
4.1.2 热处理工序安排原则 16
4.1.3 确定工序集中于分散 17
4.2 各加工表面加工阶段的划分 18
4.3 安排加工工艺路线 19
4.4 工艺方案的比较与优先 20
第五章 工序设计 21
5.1 定位基准的选择 21
5.1.1 粗基准的选择 21
5.1.2 精基准的选择 22
5.2 加工设备的选择 23
第6章 切削用量的计算 27
6.1 工序一、粗铣阀体左端面 28
6.2 工序二:粗铣阀体右端面 29
6.3 工序三:粗镗φ35的孔及端面 30
6.4 工序四:粗镗φ43的孔 30
6.5 工序五:粗镗φ50孔以及右端面 31
6.6 工序六:钻4-φ12孔 32
6.7 工序七:钻 孔; 32
6.8 工序八:镗φ28.5孔 33
6.9 工序九:车外圆及M36螺纹 34
6.10 工序十:铣上端面 35
6.11 工序十一:钻φ18孔 、扩φ22孔 36
6.12 工序十二:车φ24.3 X 3的孔 36
6.13 工序十三:攻螺纹 37
6.14 工序十四:扩φ26孔 37
第7章 夹具设计 38
7.1概述 38
7.2方案设计 38
7.3切削力和夹紧力的计算 38
7 .4 定位误差分析 39
7.5 夹具设计及操作说明 39
参考文献 41
结束语 42
温馨提示:
1、题目前面的备注【字母数字编号】为本站整理分类的编号,与课题内容无关,请选题时忽视;
2、若题目上备注三维,则表示文件里包含三维源文件,由于三维组成零件数量较多,为保证预览截图的简洁性,本站将三维文件夹进行了打包。三维及CAD预览截图,均为本站电脑打开软件进行截图的,保证能够打开,下载原件超高清,下载后解压即可;
3、本站所有资源如无特殊说明,都需要本地电脑安装Office2007。图纸软件为AutoCAD,PROE,UG,SolidWorks,CATIA等;
4、本站所有图文资料仅供用户学习参考,不作为任何商用或其他用途;
5、本站不保证下载资源的准确性、安全性和完整性, 不包修改,不支持退换,同时也不承担用户因使用这些下载资源对自己和他人造成任何形式的伤害或损失;
6、 下载文件中如有侵权或不适当内容,请与我们联系,我们立即纠正。