

作品包括:
Word版说明书1份,共34页,约10000字
工序卡9张
工艺过程卡1张
CAD版本图纸,共8张
SW三维图一套
![1755065567137105.webp KE@_6UO]ORJ$NE91()]3`UC.webp](/static/upload/image/20250813/1755065567137105.webp)
目 录
第1章 绪论 2
1.1课题的目的及意义 2
1.2国内外发展动态 2
1.3主要研究内容 2
第2章零件分析 4
2.1零件详细分析图 4
2.2零件的作用 4
2.3零件加工表格面的详细技术分析 5
2.4把毛坯的余量跟形状确定 5
2.5绘制毛坯图 6
第3章机械加工的工艺流程设计 7
3.1准确选择定位基准 7
3.2拟订的工艺过程 7
第4章加工设备跟工艺装备的选选取 9
4.1依照不同的工序来选择不同的机床 9
4.2如何选选取刀具,夹具以及量具 9
4.3切削用量的计算和确定 10
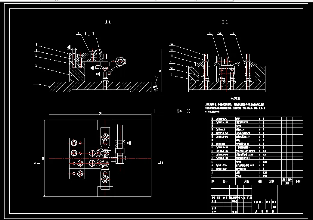
第5章 钻床专用夹具设计 29
5.1确定出设计的任务跟收集并分析原始的资料 29
5.2工件定位基准的选择和自由度分析 29
5.3夹具的内部结构 29
5.4对夹具的精度进行分析 30
5.5夹紧力计算 30
5.6夹具设计及操作的简要说明 31
第6章总结与展望 32
6.1总结 32
6.2展望 32
参考文献 33
致 谢 34
温馨提示:
1、题目前面的备注【字母数字编号】为本站整理分类的编号,与课题内容无关,请选题时忽视;
2、若题目上备注三维,则表示文件里包含三维源文件,由于三维组成零件数量较多,为保证预览截图的简洁性,本站将三维文件夹进行了打包。三维及CAD预览截图,均为本站电脑打开软件进行截图的,保证能够打开,下载原件超高清,下载后解压即可;
3、本站所有资源如无特殊说明,都需要本地电脑安装Office2007。图纸软件为AutoCAD,PROE,UG,SolidWorks,CATIA等;
4、本站所有图文资料仅供用户学习参考,不作为任何商用或其他用途;
5、本站不保证下载资源的准确性、安全性和完整性, 不包修改,不支持退换,同时也不承担用户因使用这些下载资源对自己和他人造成任何形式的伤害或损失;
6、 下载文件中如有侵权或不适当内容,请与我们联系,我们立即纠正。