

作品包括:
Word版说明书1份,共22页,约7500字
工序卡1张
工艺过程卡1张
CAD版本图纸,共4张

目 录
摘 要 II
Abstract III
目 录 IV
第1章 序 言 5
第2章 摆动架零件的分析 6
2.1零件的形状 6
2.2零件的工艺分析 6
第3章 工艺规程设计 8
3.1 确定毛坯的制造形式 8
3.3 制定工艺路线 8
3.3.1 工艺路线方案一 9
3.3.2 工艺路线方案二 10
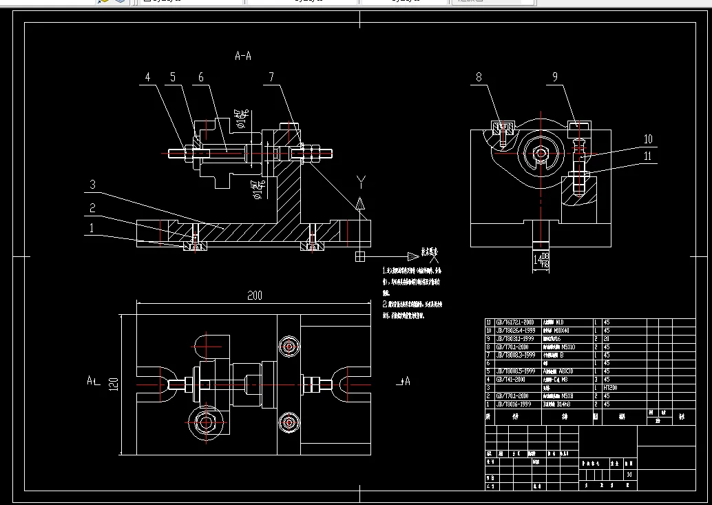
第4章 铣底面夹具设计 17
4.1问题的提出 17
4.2定位基准的选择 17
4.3定位分析 17
4.4切削力及夹紧力的计算 17
4.4.1计算切削力 17
4.4.2 计算夹紧力 18
4.5定位误差的分析 18
4.5.1基准位移误差 18
4.5.2基准不重合误差 19
4.6 夹具设计及操作的简要说明 19
总结 20
参考文献 21
致谢 22
温馨提示:
1、题目前面的备注【字母数字编号】为本站整理分类的编号,与课题内容无关,请选题时忽视;
2、若题目上备注三维,则表示文件里包含三维源文件,由于三维组成零件数量较多,为保证预览截图的简洁性,本站将三维文件夹进行了打包。三维及CAD预览截图,均为本站电脑打开软件进行截图的,保证能够打开,下载原件超高清,下载后解压即可;
3、本站所有资源如无特殊说明,都需要本地电脑安装Office2007。图纸软件为AutoCAD,PROE,UG,SolidWorks,CATIA等;
4、本站所有图文资料仅供用户学习参考,不作为任何商用或其他用途;
5、本站不保证下载资源的准确性、安全性和完整性, 不包修改,不支持退换,同时也不承担用户因使用这些下载资源对自己和他人造成任何形式的伤害或损失;
6、 下载文件中如有侵权或不适当内容,请与我们联系,我们立即纠正。