

作品包括:
Word版说明书1份,共41页,约18000字
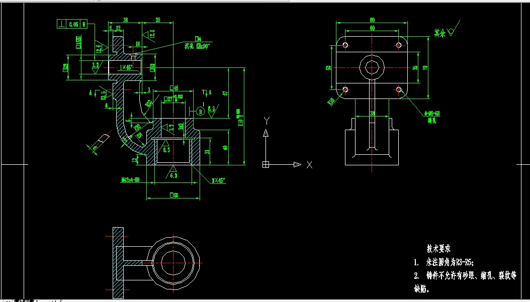
CAD版本图纸,共9张
摘 要:本文是在减速器箱体的图样分析后进行减速器箱体的机械加工工艺路线的设计,同时按照其中的加工工序的要求设计夹具。
减速器箱体的主要加工内容是表面和孔。其加工路线长,加工时间多,加工成本高,零件的加工精度要求也高。按照机械加工工艺要求,遵循先面后孔的原则,并将孔与平面的加工明确划分成粗加工和精加工阶段以保证加工精度。基准选择以底面作为粗基准,以底面与两个工艺孔作为精基准,确定了其加工的工艺路线和加工中所需要的各种工艺参数。
在零件的夹具设计中,主要是根据零件加工工序要求,分析应限的自由度数,进而根据零件的表面特征选定定位元件,再分析所选定位元件能否限定应限自由度。确定了定位元件后还需要选择夹紧元件,最后就是确定专用夹具的结构形式。
关键词:减速器箱体;加工工艺;工序;专用夹具
目 录
中文摘要及关键词 I
英文摘要及关键词 VI
目 录 VI
1 绪论 1
1.1 本课题的研究内容和意义 1
1.2 国内外的发展概况 2
1.3 本课题应达到的要求 3
2 工艺设计 4
2.1 零件的分析 4
2.1.1 零件的作用 4
2.1.2 零件的工艺分析 7
2.2 毛坯的选择与设计及基准的确定 7
2.2.1 确定毛坯制造形式 7
2.2.2 基准的选择 7
2.3 加工顺序的安排 8
2.4 工艺规程的设计 9
2.4.1 制定工艺路线 9
2.4.2 工艺方案的比较与分析 10
3 工序设计 11
3.1 工序尺寸与毛坯尺寸加工余量的确定 11
3.2 设备和工艺装备的选择 12
3.3 确定切削用量及时间定额 14
4 机盖机体两端面铣床夹具设计 23
4.1 设计要求 23
4.2 夹具设计 23
4.2.1 定位基准的选择 23
4.2.2 切削力及夹紧力的计算 23
4.3 定位误差的分析 26
4.4 夹具设计及操作的简要说明 27
5 减速器壳体零件中机体上平面6-13钻床夹具夹具设计 28
5.1 设计分析 28
5.2 设计方案论证 28
5.3 切削力及夹紧力的计算 28
5.4 设计及操作的简要说明 29
5.5 结构分析 29
5.6 夹具的公差 31
5.7 工序精度分析 32
总 结 33
参考文献 35
致谢 36
温馨提示:
1、题目前面的备注【字母数字编号】为本站整理分类的编号,与课题内容无关,请选题时忽视;
2、若题目上备注三维,则表示文件里包含三维源文件,由于三维组成零件数量较多,为保证预览截图的简洁性,本站将三维文件夹进行了打包。三维及CAD预览截图,均为本站电脑打开软件进行截图的,保证能够打开,下载原件超高清,下载后解压即可;
3、本站所有资源如无特殊说明,都需要本地电脑安装Office2007。图纸软件为AutoCAD,PROE,UG,SolidWorks,CATIA等;
4、本站所有图文资料仅供用户学习参考,不作为任何商用或其他用途;
5、本站不保证下载资源的准确性、安全性和完整性, 不包修改,不支持退换,同时也不承担用户因使用这些下载资源对自己和他人造成任何形式的伤害或损失;
6、 下载文件中如有侵权或不适当内容,请与我们联系,我们立即纠正。