

作品包括:
Word设计说明书1份
任务书一份
开题报告一份
工序卡12张
工艺过程卡1张
CAD版本图纸,共6张
摘要
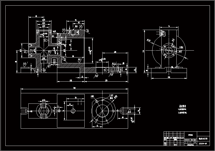
题目所给定的零件是汽车底盘传动轴上的万向节滑动叉,它位于传动轴的端部。主要作用一是传递扭距,使汽车获得前进的动力;二是当汽车后桥钢板弹簧处在不同的状态时,由本零件可以调整传动轴的长短及其位置。零件的两个叉头部位上有两个Φ39mm的孔,用以安装滚真轴承并与十字轴相连,起万向联轴节的作用。零件Φ65mm外圆内为Φ50mm花键孔与传动轴端部的花建轴相配合,用于传递动力之用。
温馨提示:
1、题目前面的备注【字母数字编号】为本站整理分类的编号,与课题内容无关,请选题时忽视;
2、若题目上备注三维,则表示文件里包含三维源文件,由于三维组成零件数量较多,为保证预览截图的简洁性,本站将三维文件夹进行了打包。三维及CAD预览截图,均为本站电脑打开软件进行截图的,保证能够打开,下载原件超高清,下载后解压即可;
3、本站所有资源如无特殊说明,都需要本地电脑安装Office2007。图纸软件为AutoCAD,PROE,UG,SolidWorks,CATIA等;
4、本站所有图文资料仅供用户学习参考,不作为任何商用或其他用途;
5、本站不保证下载资源的准确性、安全性和完整性, 不包修改,不支持退换,同时也不承担用户因使用这些下载资源对自己和他人造成任何形式的伤害或损失;
6、 下载文件中如有侵权或不适当内容,请与我们联系,我们立即纠正。