

作品包括:
Word版说明书1份,共31页,约7300字
工序卡8张
工艺过程卡1张
CAD版本图纸,共4张

目 录
第1章 零件的分析 1
1.1零件的作用 1
1.2零件的工艺分析 1
第2章 毛坯制造 3
2.1 毛坯的制造方法 3
2.2 确定毛坯制定形式 3
第3章 工艺规程设计 6
3.1基面的选择 6
3.1.1粗基准的选择原则 6
3.1.2 精基准选择的原则 6
3.2工艺方案的比较分析 7
3.3 确定切削用量以及时间定额 8
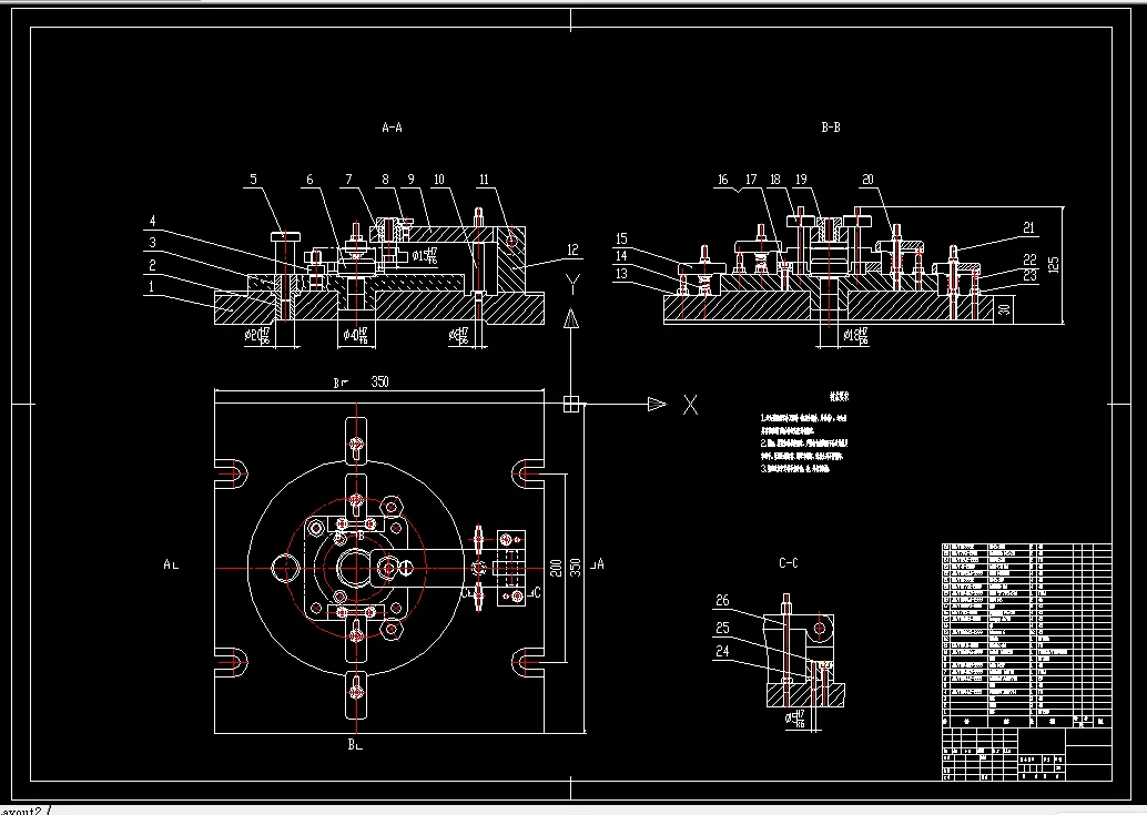
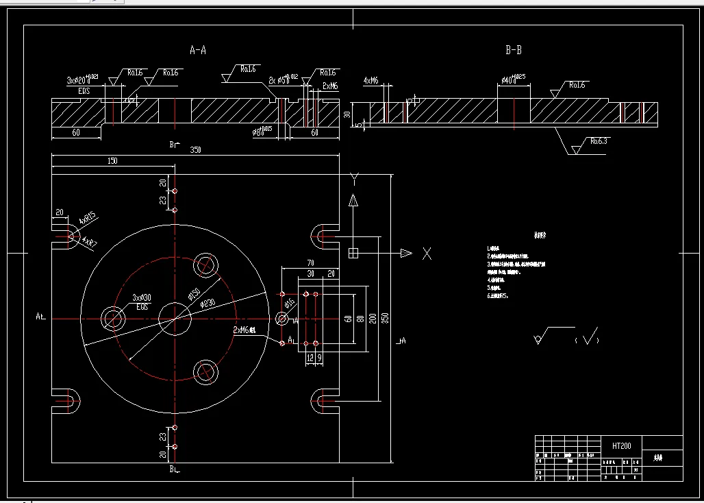
第4章 钻夹具设计 25
4.1夹具的提出 25
4.2选择定位方案 25
4.3分析计算定位误差 25
4.3.1移动时基准位移误差 25
4.4夹具的夹紧方案 26
4.4.1选择夹紧方案 26
4.4.2切削力和夹紧力的计算 27
4.5夹具体的设计 27
4.6夹具操作说明 28
参考文献 29
心得体会 30
温馨提示:
1、题目前面的备注【字母数字编号】为本站整理分类的编号,与课题内容无关,请选题时忽视;
2、若题目上备注三维,则表示文件里包含三维源文件,由于三维组成零件数量较多,为保证预览截图的简洁性,本站将三维文件夹进行了打包。三维及CAD预览截图,均为本站电脑打开软件进行截图的,保证能够打开,下载原件超高清,下载后解压即可;
3、本站所有资源如无特殊说明,都需要本地电脑安装Office2007。图纸软件为AutoCAD,PROE,UG,SolidWorks,CATIA等;
4、本站所有图文资料仅供用户学习参考,不作为任何商用或其他用途;
5、本站不保证下载资源的准确性、安全性和完整性, 不包修改,不支持退换,同时也不承担用户因使用这些下载资源对自己和他人造成任何形式的伤害或损失;
6、 下载文件中如有侵权或不适当内容,请与我们联系,我们立即纠正。