

作品包括:
word说明书一份,共24页,约5700字
CAD版本图纸,共4张
工序卡一套
工艺过程卡一张
目录
绪论 2
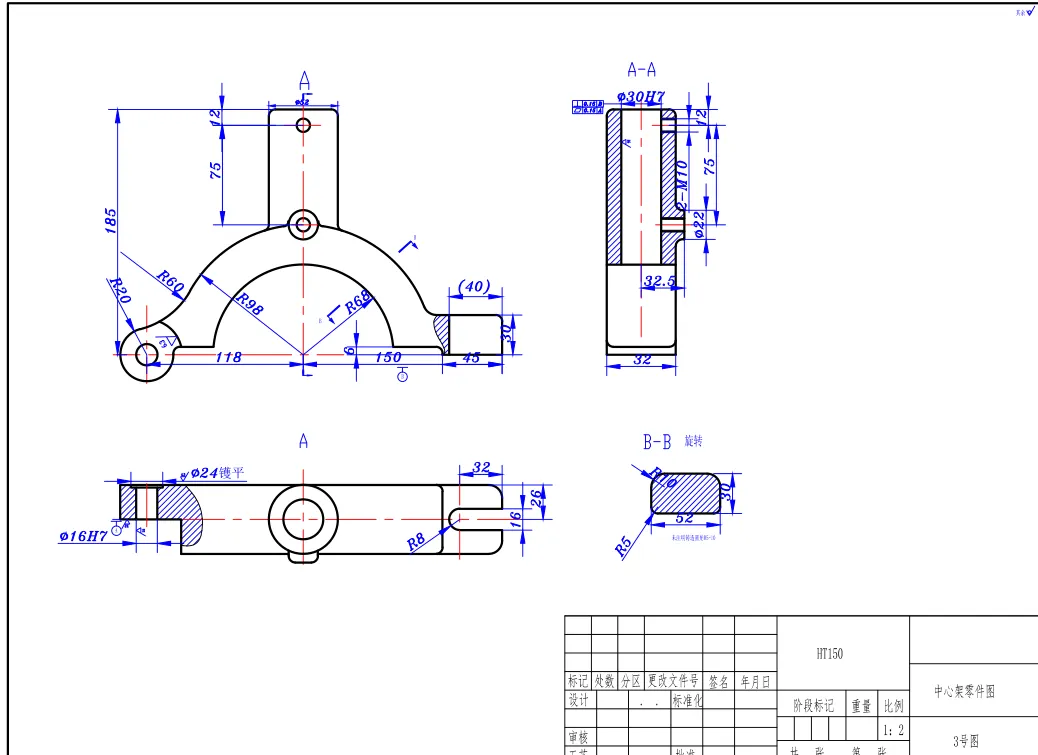
第一章零件的分析 3
1.1零件的特征分析 3
1.2零件的技术要求 3
第二章零件加工工艺设计 4
2.1毛坯的选择 4
2.1.1毛坯的材料 4
2.1.2毛坯的加工余量和毛坯尺寸确定 4
第三章 工艺路线的拟定 5
3.1表面加工的选择 5
3.2加工顺序的安排和确定工艺路线 5
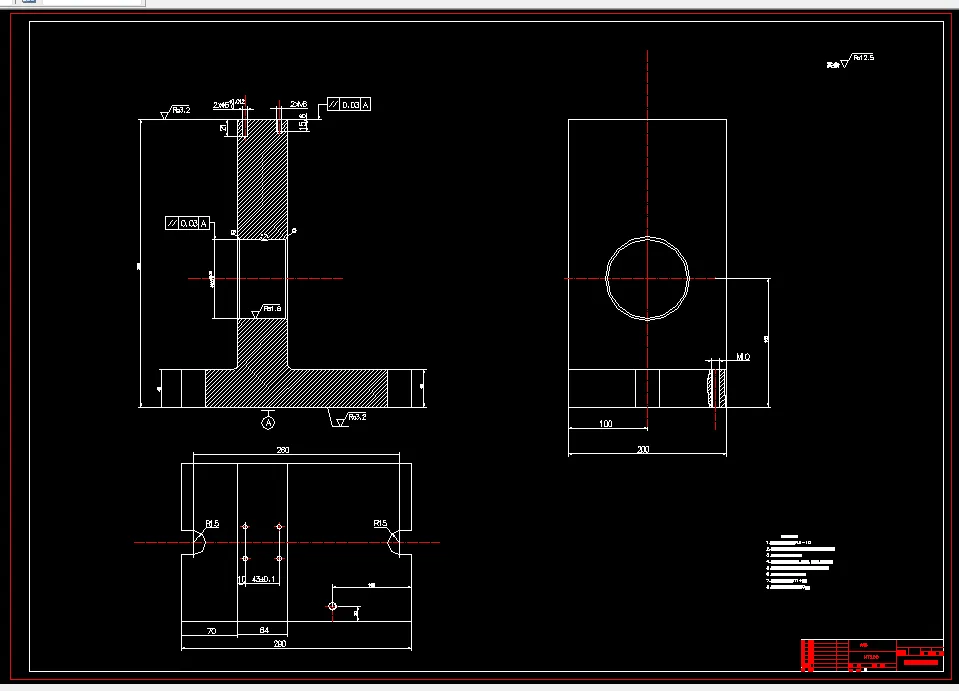
3.3工序设计 7
3.3.1铣30mm下平面 7
3.3.2铣R8槽侧面 8
3.3.3铣φ22孔侧面 12
3.3.4钻铰φ30孔 15
3.3.5钻φ16孔锪φ24孔 16
3.3.6 钻攻2-M10孔 18
第四章 夹具的设计 19
4.1问题的提出 19
4.2夹具类型的确定 19
4.3.定位装置的设计 19
4.4 定位误差分析计算 19
4.5 夹紧装置的设计 20
4.6 绘制夹具结构图 21
总结 23
参考文献 24
温馨提示:
1、题目前面的备注【字母数字编号】为本站整理分类的编号,与课题内容无关,请选题时忽视;
2、若题目上备注三维,则表示文件里包含三维源文件,由于三维组成零件数量较多,为保证预览截图的简洁性,本站将三维文件夹进行了打包。三维及CAD预览截图,均为本站电脑打开软件进行截图的,保证能够打开,下载原件超高清,下载后解压即可;
3、本站所有资源如无特殊说明,都需要本地电脑安装Office2007。图纸软件为AutoCAD,PROE,UG,SolidWorks,CATIA等;
4、本站所有图文资料仅供用户学习参考,不作为任何商用或其他用途;
5、本站不保证下载资源的准确性、安全性和完整性, 不包修改,不支持退换,同时也不承担用户因使用这些下载资源对自己和他人造成任何形式的伤害或损失;
6、 下载文件中如有侵权或不适当内容,请与我们联系,我们立即纠正。