

作品包括:
说明书一份,共38页,约8200字
CAD版本图纸,共6张
UG三维图一份
摘 要
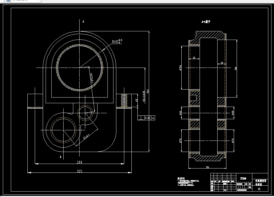
本次设计内容涉及了机械制造工艺及机床夹具设计、金属切削机床、公差合
与测量等多方面的知识。变速箱壳体零件加工工艺及夹具设计是包括零件加工的工艺设计、工序设计以及专用夹具部分。在工艺设计中要首先对零件进行分析,了解零件的工艺再设计出毛坯的结构,并选择好零件的加工基准,设计出零件的工艺路线;接着对零件各个工步的工序进行尺寸计算,关键是决定出各个工序的工艺装备及切削用量;然后进行专用夹具的设计,选择设计出夹具的各个组成部件,如定位元件、夹紧元件、引导元件、夹具体与机床的连接部件以及其它部件。
关键词:变速箱壳体、工艺、工序、切削用量、夹紧、定位、误差。
目 录
摘 要 II
目 录 III
1、任务书 V
2、 变速箱壳体零件图 VI
3、生产纲领 7
4、变速箱壳体零件分析 8
4.1 变速箱壳体零件加工部位汇总 8
4.2 变速箱壳体零件重要部位加工方案 8
4.3 变速箱壳体零件基准 9
4.4 变速箱壳体零件各部位加工余量 9
5、变速箱壳体毛坯图设计 10
5.1 变速箱壳体毛坯形式 10
5.2 变速箱壳体毛坯图 10
6、变速箱壳体零件加工路线方案一 11
7、变速箱壳体零件加工路线方案二 12
8、变速箱壳体零件加工路线方案三 13
9、变速箱壳体零件加工工艺过程卡片设计 14
9.1 变速箱壳体零件加工设备汇总 14
9.2 变速箱壳体零件加工夹具汇总 16
9.3 变速箱壳体零件加工工艺过程卡片 16
10、变速箱壳体零件加工工序卡片设计 17
10.1 变速箱壳体零件加工各工序切削用量及基本工时 17
10.2 变速箱壳体零件加工工序尺寸计算 22
10.3 变速箱壳体零件加工刀、量、检具汇总 23
10.4 变速箱壳体零件加工各工序定位方式 24
10.5变速箱壳体零件加工工序卡片 28
11、变速箱壳体零件铣左端面夹具设计 29
11.1 变速箱壳体零件铣左端面加工定位方式 29
11.2 变速箱壳体零件铣左端面加工夹紧方式 29
11.3 变速箱壳体零件铣左端面加工误差计算 30
11.4 变速箱壳体零件铣左端面加工创新设计 31
12、铣左端面夹具总图 32
13、铣左端面夹具体零件图 33
14、铣左端面零件图 34
总 结 35
参考文献 36
致 谢 37
温馨提示:
1、题目前面的备注【字母数字编号】为本站整理分类的编号,与课题内容无关,请选题时忽视;
2、若题目上备注三维,则表示文件里包含三维源文件,由于三维组成零件数量较多,为保证预览截图的简洁性,本站将三维文件夹进行了打包。三维及CAD预览截图,均为本站电脑打开软件进行截图的,保证能够打开,下载原件超高清,下载后解压即可;
3、本站所有资源如无特殊说明,都需要本地电脑安装Office2007。图纸软件为AutoCAD,PROE,UG,SolidWorks,CATIA等;
4、本站所有图文资料仅供用户学习参考,不作为任何商用或其他用途;
5、本站不保证下载资源的准确性、安全性和完整性, 不包修改,不支持退换,同时也不承担用户因使用这些下载资源对自己和他人造成任何形式的伤害或损失;
6、 下载文件中如有侵权或不适当内容,请与我们联系,我们立即纠正。