

作品包括:
说明书1份,共67页,约18000字左右
CAD版本图纸,共3张
摘 要
张力矫直机是一种重要的金属加工设备,它用于对金属型材、棒材、管材、线材等进行矫直。本文主要设计了张力矫直机固定夹头机械结构、液压系统以及电气系统。机械部分设计了夹头的夹紧型式,实现了上下夹头的灵活可靠的夹紧、固定挂钩部分的锁定、以及在床身上调整相应位置;液压系统分为三个回路,夹紧液压缸回路通过蓄能器实现保压,固定夹头行走使用液压马达驱动,挂钩缸回路通过单向液控阀锁止挂钩。电气系统中,通过PLC控制电控阀实现油路控制,从而控制执行机构相应动作。最后采用宇龙仿真软件对液压系统和电气系统进行仿真,仿真结果表明本次设计达到相应的设计要求,该系统是可行的。
关键词:张力矫直机,固定夹头,液压系统,电气系统
目 录
摘 要 I
ABSTRACT II
第1章 绪论 1
1.1课题研究的目的和意义 1
1.2矫直机的类型 1
1.3张力矫直机的简介及发展现状 2
1.4课题研究内容 3
1.5课题设计主要参数 3
1.6本章小结 3
第2章 固定夹头机械结构设计 4
2.1 总体方案设计 4
2.1.1方案一 4
2.1.2方案二 7
2.2方案比较与选择 10
2.3挂钩机构的设计 11
2.3销轴的强度校核 11
2.3.1 销轴挤压强度校核 12
2.3.2 销轴剪切强度校核 12
2.4本章小结 13
第3章 固定夹头液压系统方案设计 14
3.1概述 14
3.2液压系统技术要求 14
3.3液压系统方案的制定 14
3.3.1确定液压系统型式 15
3.3.2确定主要工作机构的液压回路 16
3.4液压系统原理图 19
3.4.1主要液压元件的作用 20
3.4.2各液压回路的执行元件工作顺序控制分析 21
3.5本章小结 24
第4章 液压系统设计计算 25
4.1确定液压系统主要参数 25
4.1.1初选系统压力 25
4.1.2夹紧液压缸尺寸计算 25
4.1.3挂钩液压缸尺寸计算 27
4.1.4系统流量计算 28
4.2主要液压元件的选择 29
4.2.1液压泵的选择 29
4.2.2驱动液压泵的功率和电机选择 30
4.2.3行走机构液压马达的选择 30
4.3 阀类元件的选型及辅助元件的选择 32
4.3.1阀类元件的选型 32
4.3.2辅助元件的选择 32
4.4油箱设计 33
4.4.1油箱类型的选择 33
4.4.2油箱容量的计算 34
4.5系统效率和发热计算 34
4.5.1系统效率计算 34
4.5.2系统发热计算 35
4.6本章小结 36
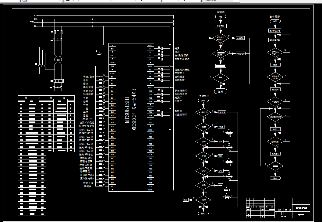
第5章 PLC电气控制系统设计 37
5.1固定夹头电控系统概述 37
5.2电磁阀的动作顺序 37
5.3 PLC的选型 38
5.4 PLC的I/O端子分配 38
5.5 PLC外部接线图 39
5.6 PLC软件设计 40
5.6.1主机功能流程 40
5.6.2顺序功能图设计 44
5.6.3梯形图设计 45
5.7 控制面板 45
5.8 本章小结 46
第6章 PLC系统调试及仿真 47
6.1仿真方案 47
6.1.1程序测试表 47
6.2仿真过程 48
6.2.1仿真硬件接线图 48
6.2.2仿真调试 49
6.3本章小结 52
结论 53
参考文献 54
附录 55
致谢 60
温馨提示:
1、题目前面的备注【字母数字编号】为本站整理分类的编号,与课题内容无关,请选题时忽视;
2、若题目上备注三维,则表示文件里包含三维源文件,由于三维组成零件数量较多,为保证预览截图的简洁性,本站将三维文件夹进行了打包。三维及CAD预览截图,均为本站电脑打开软件进行截图的,保证能够打开,下载原件超高清,下载后解压即可;
3、本站所有资源如无特殊说明,都需要本地电脑安装Office2007。图纸软件为AutoCAD,PROE,UG,SolidWorks,CATIA等;
4、本站所有图文资料仅供用户学习参考,不作为任何商用或其他用途;
5、本站不保证下载资源的准确性、安全性和完整性, 不包修改,不支持退换,同时也不承担用户因使用这些下载资源对自己和他人造成任何形式的伤害或损失;
6、 下载文件中如有侵权或不适当内容,请与我们联系,我们立即纠正。