

作品包括:
Word版说明书1份,共40页,约13000字
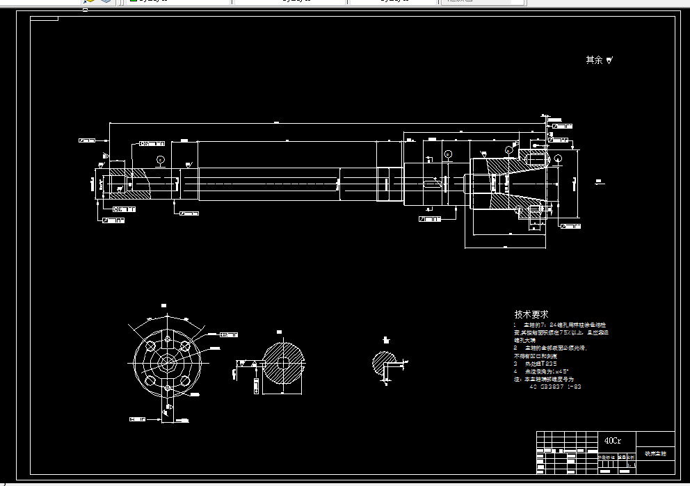
CAD版本图纸,共4张
摘要
本次设计主要由机床的级数入手,于结构式、结构网拟定,再到齿轮和轴的设计,再选择各种主轴箱配 合件,对轴和齿轮及配合件进行校核,将主轴箱方案“结构化”,设计主轴变速 箱装配图及零件图,侧重进行传动轴组件、主轴组件、变速机构、箱体、润滑与 密封、传动轴及滑移齿轮零件的设计,完成设计任务。 本次突出了结构设计的要求,在保证机床的基本要求下,根据机床设计的原 则,拟定机构式和结构网,对机床的机构进行精简,力求降低生产成本;主轴和 齿轮设计在满足强度需要的同时,材料的选择也是采用折中的原则,没有选择过 高强度的材料从而造成浪费。
关键词:铣床、主轴箱系统、结构式、电动机。 铣床主轴箱系统设计
目 录
目 录 3
第1章 绪论 5
第2章 铣床参数设计 7
2.1铣床主参数和基本参数 7
2.2 确定最大转速 7
第3章 运动设计 8
3.1 主电机功率——动力参数的确定 8
3.2确定结构式 8
3.3 确定结构网 9
3.4 绘制转速图和传动系统图 9
3.5 确定各变速组此论传动副齿数 10
3.6 核算主轴转速误差 12
第4章 动力计算 13
4.1 带传动设计 13
4.1.1计算设计功率Pd 13
4.1.2选择带型 14
4.1.3验证带速并确定带轮的基准直径 14
4.1.4确定中心距离、带的基准长度并验算小轮包角 15
4.1.5确定带的根数z 15
4.1.6确定带轮的结构和尺寸 16
4.1.7确定带的张紧装置 16
4.1.8计算压轴力 16
4.2 计算转速的计算 18
4.3 齿轮模数计算及验算 18
4.4 传动轴最小轴径的初定 23
4.5 零件验算 24
4.5.1 主轴刚度 24
4.5.2 传动轴刚度 29
4.5.3 齿轮疲劳强度 32
4.6 轴承的选择 34
4.7 键的规格 34
4.8变速操纵机构的选择 35
第5章 主轴箱结构设计及说明 35
5.1 结构设计的内容、技术要求和方案 35
5.2 展开图及其布置 36
第6章 设计部分的调节、润滑、维护保养、技术要求及其它 36
参考文献 39
致 谢 40
温馨提示:
1、题目前面的备注【字母数字编号】为本站整理分类的编号,与课题内容无关,请选题时忽视;
2、若题目上备注三维,则表示文件里包含三维源文件,由于三维组成零件数量较多,为保证预览截图的简洁性,本站将三维文件夹进行了打包。三维及CAD预览截图,均为本站电脑打开软件进行截图的,保证能够打开,下载原件超高清,下载后解压即可;
3、本站所有资源如无特殊说明,都需要本地电脑安装Office2007。图纸软件为AutoCAD,PROE,UG,SolidWorks,CATIA等;
4、本站所有图文资料仅供用户学习参考,不作为任何商用或其他用途;
5、本站不保证下载资源的准确性、安全性和完整性, 不包修改,不支持退换,同时也不承担用户因使用这些下载资源对自己和他人造成任何形式的伤害或损失;
6、 下载文件中如有侵权或不适当内容,请与我们联系,我们立即纠正。