欢迎来到龙图网在线图文分享平台-CAD图纸,设计说明书,工业设计3D模型,三维软件下载!   客服QQ:2363701252
热搜:

工艺夹具 模具设计 数控编程 土木工程 3D模型

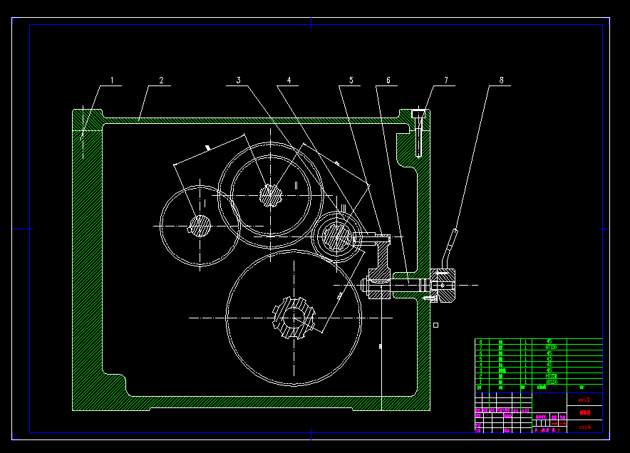
L394B-普通车床的主轴箱部件设计[P=5kw 转速1100 25 公比1.41] 下载积分:50 资料编号: L394B

1.打开支付宝或者微信扫描二维码。
2.填写金额:50 
3.添加备注,填写资料编号:
资料编号: L394B
4.支付成功后,请发资料编号到邮箱:jxsj168@qq.com
会有专人在15分钟内把资料发到您邮箱
备注:如果付款忘记填写资料编号,则发邮件时附带您的交易明细截图即可。
请耐心等待,如超过30分钟还没收到,请联系客服QQ:2363701252
点击分享:

作品描述

作品包括:

word说明书一份,共38页,约10000字

CAD版本图纸,共3张


目  录

第1章 机床用途、性能及结构简单说明 1

第2章 设计部分的基本技术特性和结构分析 2

2.1车床主参数和基本参数 2

2.2 确定传动公比 2

2.3拟定参数的步骤和方法 2

2.3.1 极限切削速度Vmax、Vmin 2

2.3.2 主轴的极限转速 3

第3章  运动设计 4

3.1 主电机功率——动力参数的确定 4

3.2确定结构式 4

3.3 确定结构网 5

3.4 绘制转速图和传动系统图 6

3.5 确定各变速组此论传动副齿数 7

3.6 核算主轴转速误差 8

第4章 设计部分的动力计算 8

4.1 带传动设计 8

4.1.1计算设计功率Pd 8

4.1.2选择带型 9

4.1.3确定带轮的基准直径并验证带速 10

4.1.4确定中心距离、带的基准长度并验算小轮包角 10

4.1.5确定带的根数z 11

4.1.6确定带轮的结构和尺寸 11

4.1.7确定带的张紧装置 12

4.1.8计算压轴力 12

4.2 计算转速的计算 13

4.3 齿轮模数计算及验算 14

4.4 传动轴最小轴径的初定 19

4.5 主轴合理跨距的计算 20

第5章 摩擦离合器(多片式)的计算 22

第6章 主要零部件的选择 24

6.1电动机的选择 24

6.2 轴承的选择 24

6.3变速操纵机构的选择 24

6.4 轴的校核 24

6.5 轴承寿命校核 27

6.6 键的选用及校核: 28

6.7轴承端盖设计 28

第7章 箱体的结构设计 30

第8章 润滑与密封 31

第9章 主轴箱结构设计及说明 32

9.1 结构设计的内容、技术要求和方案 32

9.2 展开图及其布置 32

结束语 34

参考文献 35

温馨提示:

1、题目前面的备注【字母数字编号】为本站整理分类的编号,与课题内容无关,请选题时忽视;

2、若题目上备注三维,则表示文件里包含三维源文件,由于三维组成零件数量较多,为保证预览截图的简洁性,本站将三维文件夹进行了打包。三维及CAD预览截图,均为本站电脑打开软件进行截图的,保证能够打开,下载原件超高清,下载后解压即可;

3、本站所有资源如无特殊说明,都需要本地电脑安装Office2007。图纸软件为AutoCAD,PROE,UG,SolidWorks,CATIA等;

4、本站所有图文资料仅供用户学习参考,不作为任何商用或其他用途;
5、本站不保证下载资源的准确性、安全性和完整性, 不包修改,不支持退换,同时也不承担用户因使用这些下载资源对自己和他人造成任何形式的伤害或损失;

6、 下载文件中如有侵权或不适当内容,请与我们联系,我们立即纠正。


线