

作品包括:
Word版说明书1份
S7-300 PLC程序一份
电气CAD图纸一份
IO分配
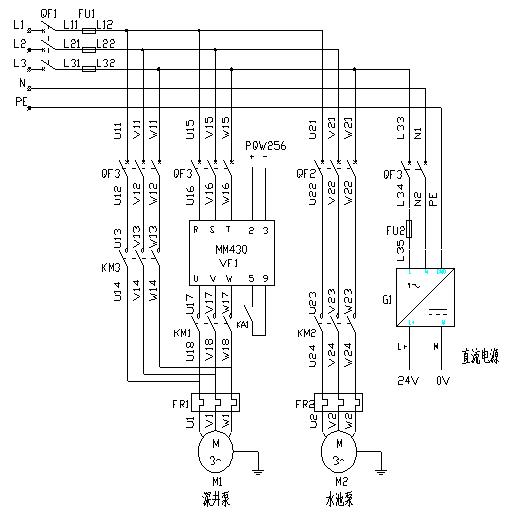
以22Kw深井泵变频恒压工作为主泵,7.5Kw给水泵工作为辅泵为系统供水。
当22Kw深井泵变频器工作在工频运转时供水压力达不到设定出水压力时,自动
开启7.5Kw给水泵补充供水量,如果供水压力达到设定压力时,则将7.5Kw水池
水泵关掉,仍然靠22Kw深井泵调节变频恒压工作频率来稳定系统压力。
1 绪论 1
2 系统的理论分析及控制方案确定 2
2.1设计要求 2
2.2主要内容与技术要求 2
3 系统的硬件设计 4
3.1 系统主要设备的选型 4
3.2 系统主电路分析及其设计 8
3.3 控制电路 9
3.4 PLC的I/O端口分配及外围接线图 10
4 系统的软件设计 14
4.1 系统软件设计分析 14
4.2 程序流程图设计 15
4.3 PLC梯形图程序设计 18
4.4 PLC语句表程序设计 26
5 仿真测试 37
5.1 仿真启动 37
5.2 下载程序 37
5.3 启动PLC 38
5.4 监控PLC程序 39
6 结束语 51
参考文献 52
致谢 54
温馨提示:
1、题目前面的备注【字母数字编号】为本站整理分类的编号,与课题内容无关,请选题时忽视;
2、若题目上备注三维,则表示文件里包含三维源文件,由于三维组成零件数量较多,为保证预览截图的简洁性,本站将三维文件夹进行了打包。三维及CAD预览截图,均为本站电脑打开软件进行截图的,保证能够打开,下载原件超高清,下载后解压即可;
3、本站所有资源如无特殊说明,都需要本地电脑安装Office2007。图纸软件为AutoCAD,PROE,UG,SolidWorks,CATIA等;
4、本站所有图文资料仅供用户学习参考,不作为任何商用或其他用途;
5、本站不保证下载资源的准确性、安全性和完整性, 不包修改,不支持退换,同时也不承担用户因使用这些下载资源对自己和他人造成任何形式的伤害或损失;
6、 下载文件中如有侵权或不适当内容,请与我们联系,我们立即纠正。