

作品包括:
Word版说明书1份
S7-300 PLC程序一份
电气CAD图纸
IO分配
摘 要 - 2 -
引 言 - 3 -
任务与分析 - 4 -
1设计方案 - 6 -
2硬件设计 - 7 -
2.1 PLC选择 - 7 -
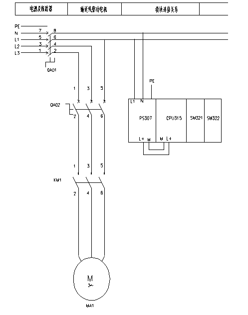
2.2 主电路和控制电路图 - 7 -
2.3 PLC输入和输出分配 - 9 -
2.4 PLC输入和输出接线图 - 9 -
2.5 器件清单 - 10 -
3程序设计 - 11 -
3.1 内部使用地址 - 11 -
3.2 硬件配置 - 11 -
3.3 符号表 - 15 -
3.4 梯形图程序设计 - 16 -
结 论 - 26 -
【参考文献】 - 27 -
(1)、装好的啤酒一个接一个不断地进入装箱生产线,在装箱生产线上有1个光电传感器,每当一个啤酒经过时
,回产生一个脉冲信号,可以利用这个脉冲信号计数已经经过的啤酒的个数,并将计数的结果显示在界面上。当
啤酒数到达24个时(减计数),进行装箱动作。
(2)、系统是利用一只机械手来完成整个装箱动作过程的。在生产线开始运行时,机械手可能位于任何位置。
要求在生产线的初始化阶段将机械手送到左上角的位置。
(3)、机械手的位置依靠4个行程开关(分别为左行程开关,右行程开关,上行程开关和下行程开关)来检测。
(4)、当计数到24个啤酒瓶时,开始装箱动作。首先,机械手左侧下行到位,然后自动抓起啤酒,上行到位然
后右行,右行到位再下行,下行到位,表示装箱完成,机械手自动回到左上角。
(5)、按下停车按钮,生产线停止输送啤酒,机械手接着完成余下的动作,然后回原点(左上角)后停止。
温馨提示:
1、题目前面的备注【字母数字编号】为本站整理分类的编号,与课题内容无关,请选题时忽视;
2、若题目上备注三维,则表示文件里包含三维源文件,由于三维组成零件数量较多,为保证预览截图的简洁性,本站将三维文件夹进行了打包。三维及CAD预览截图,均为本站电脑打开软件进行截图的,保证能够打开,下载原件超高清,下载后解压即可;
3、本站所有资源如无特殊说明,都需要本地电脑安装Office2007。图纸软件为AutoCAD,PROE,UG,SolidWorks,CATIA等;
4、本站所有图文资料仅供用户学习参考,不作为任何商用或其他用途;
5、本站不保证下载资源的准确性、安全性和完整性, 不包修改,不支持退换,同时也不承担用户因使用这些下载资源对自己和他人造成任何形式的伤害或损失;
6、 下载文件中如有侵权或不适当内容,请与我们联系,我们立即纠正。