

作品包括:
Word版说明书1份,共45页,约15000字
CAD版本图纸,共4张

目 录
摘 要 I
ABSTRACT II
1 绪论 1
1.1 课题背景 1
1.2 制订工艺规程的意义与作用及其基本要求 1
1.3 夹具的设计 1
2 零件的分析 2
2.1 箱体零件的功用和结构特点 2
2.2 箱体零件图样分析 2
2.3 箱体零件工艺分析 3
2.4 箱体零件的主要技术要求 4
2.5 主要设计内容 5
3 工艺规程设计 7
3.1 箱体的材料及毛坯 7
3.2 减速箱箱体加工的主要问题和加工工艺过程设计所应采取的相应措施 8
3.3 减速箱体加工定位基准的选择 8
3.4 制定箱体的工艺路线 9
3.5 机械加工余量、工序尺寸及毛坯尺寸的确定 13
3.6 确定切削用量及基本工时(机动时间) 15
3.7 时间定额计算及生产安排 29
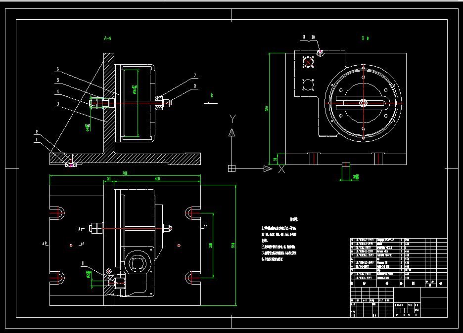
4 精铣C面,245到尺寸夹具设计 36
4.1专用夹具的提出 36
4.2 定位装置的设计 36
4.3 定位元件及夹紧元件的选择 36
4.4切削力和夹紧力的计算 36
4.5定位误差分析 37
4.6夹具设计及操作简要说明 38
结 论 39
参 考 文 献 40
致 谢 41
温馨提示:
1、题目前面的备注【字母数字编号】为本站整理分类的编号,与课题内容无关,请选题时忽视;
2、若题目上备注三维,则表示文件里包含三维源文件,由于三维组成零件数量较多,为保证预览截图的简洁性,本站将三维文件夹进行了打包。三维及CAD预览截图,均为本站电脑打开软件进行截图的,保证能够打开,下载原件超高清,下载后解压即可;
3、本站所有资源如无特殊说明,都需要本地电脑安装Office2007。图纸软件为AutoCAD,PROE,UG,SolidWorks,CATIA等;
4、本站所有图文资料仅供用户学习参考,不作为任何商用或其他用途;
5、本站不保证下载资源的准确性、安全性和完整性, 不包修改,不支持退换,同时也不承担用户因使用这些下载资源对自己和他人造成任何形式的伤害或损失;
6、 下载文件中如有侵权或不适当内容,请与我们联系,我们立即纠正。