

作品包括:
word版设计说明书一份,49页,约18000字
CAD版本图纸,共4张
工序卡一套

摘 要
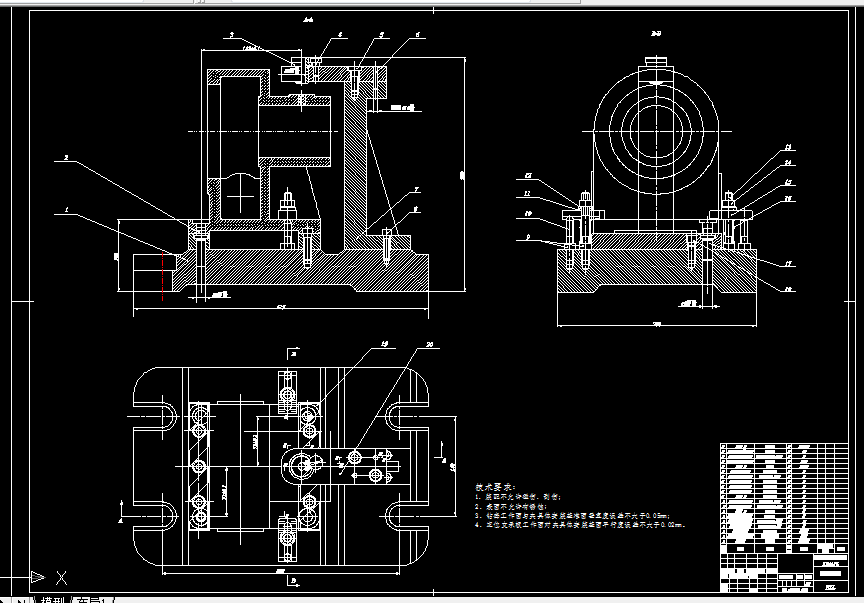
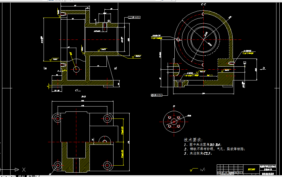
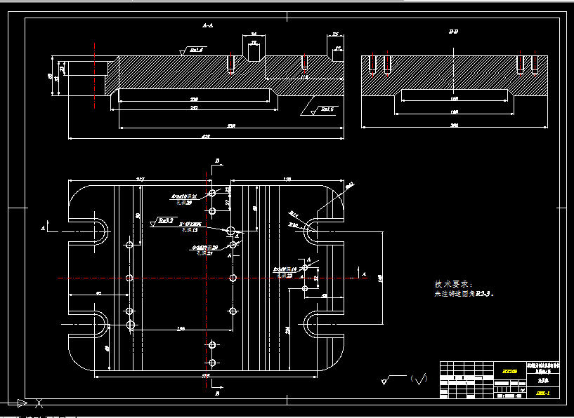
本次毕业设计的主要内容是机械加工工艺规程编制和工序专用夹具设计。我能综合运用机械制造技术基础和其它课程的基本理论和方法,为了能够完成涡轮减速器箱体机械加工工艺及钻床夹具的设计任务,综合运用所学的知识,应用正确的设计方法,制订了涡轮减速器箱体的机械加工工艺规程。结合工艺设计内容,熟练应用工艺计算方法,对相关工艺内容进行了正确的分析设计和计算,如工艺参数、切削力、切削功率、切削速度、定位误差、夹紧力等。通过对涡轮减速器箱体的加工工艺路线的确定,该零件的加工以底面作为基准是合理的,本加工工艺方案满足粗基准选择的基本要求及精基准选择的四项原则。本夹具为钻床使用的专用夹具,该夹具的特点是针对性强、结构紧凑、操作简便、生产率高。在本次设计中,夹具的设计满足机床夹具总体方案设计的基本要求,充分保证零件加工质量,具有较高的生产效率和较低的制造成本以及具有良好的结构工艺性。
关键词:机械加工;工艺规程;专用夹具;涡轮减速器箱体
目 录
摘 要 I
Abstract II
第1章 绪论 1
1.1 涡轮减速器箱体综述 1
1.2 涡轮减速器箱体国内外发展概况 2
1.2.1 涡轮减速器箱体机械加工工艺发展概况 2
1.2.2 涡轮减速器箱体夹具发展概况 3
第2章 零件的机械加工工艺规程设计 5
2.1 涡轮减速器箱体的工艺分析 5
2.1.1 涡轮减速器箱体的作用 5
2.1.2 涡轮减速器箱体的工艺分析 5
2.2 选择毛坯 6
2.3 确定铸件机械加工余量、毛坯尺寸和公差 6
2.4 设计毛坯图 7
2.4.1 确定圆角半径 7
2.4.2 确定毛坯的热处理方式 7
2.5 机械加工工艺路线的制订 9
2.5.1 选择定位基准 9
2.5.2 制订工艺路线 10
2.5.3 加工工艺过程的分析 13
2.5.4 选择加工设备与工艺装备 13
2.5.5 确定工序尺寸 14
2.5.6 确定切削用量及基本时间 15
第3章 机床专用夹具的设计 35
3.1 确定设计任务、明确加工要求 35
3.2 定位方案的确定 35
3.3 夹紧机构的设计 35
3.4 切削力和夹紧力的计算 35
3.5 定位误差的分析与计算 36
3.5.1 定位元件尺寸及公差确定 37
3.5.2 定位误差计算 37
3.6 夹具体的设计 37
3.7 夹具与机床连接元件的选择 38
3.8 夹具的使用说明 38
3.9 夹具的结构特点 39
结 论 40
致 谢 41
参考文献 42
温馨提示:
1、题目前面的备注【字母数字编号】为本站整理分类的编号,与课题内容无关,请选题时忽视;
2、若题目上备注三维,则表示文件里包含三维源文件,由于三维组成零件数量较多,为保证预览截图的简洁性,本站将三维文件夹进行了打包。三维及CAD预览截图,均为本站电脑打开软件进行截图的,保证能够打开,下载原件超高清,下载后解压即可;
3、本站所有资源如无特殊说明,都需要本地电脑安装Office2007。图纸软件为AutoCAD,PROE,UG,SolidWorks,CATIA等;
4、本站所有图文资料仅供用户学习参考,不作为任何商用或其他用途;
5、本站不保证下载资源的准确性、安全性和完整性, 不包修改,不支持退换,同时也不承担用户因使用这些下载资源对自己和他人造成任何形式的伤害或损失;
6、 下载文件中如有侵权或不适当内容,请与我们联系,我们立即纠正。