

作品包括:
说明书1份,共52页,约16000字左右
CAD版本图纸,共12张

摘 要
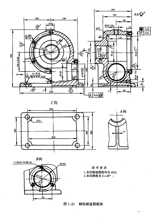
本设计专用夹具的设计蜗轮蜗杆减速器壳体零件加工过程的基础上。主要加工部位是平面和孔加工。在一般情况下,确保比保证精密加工孔很容易。因此,设计遵循的原则是先加工面后加工孔表面。孔加工平面分明显的阶段性保证粗加工和加工精度加工孔。通过底面作一个良好的基础过程的基础。主要的流程安排是支持在定位孔过程第一个,然后进行平面和孔定位技术支持上加工孔。在随后的步骤中,除了被定位在平面和孔的加工工艺及其他孔单独过程。整个过程是一个组合的选择工具。专用夹具夹具的选择,有自锁机构,因此,对于大批量,更高的生产力,满足设计要求。
关键词:蜗轮蜗杆减速器壳体类零件;工艺;夹具;
目 录
摘 要 II
ABSTRACT III
1 绪论 1
1.1 机械加工工艺概述 1
1.2机械加工工艺流程 1
1.3夹具概述 2
1.4机床夹具的功能 2
1.5机床夹具的发展趋势 2
1.5.1机床夹具的现状 2
1.5.2 现代机床夹具的发展方向 3
2 加工工艺规程设计 5
2.1 零件的分析 5
2.1.1 零件的作用 5
2.1.2 零件的工艺分析 6
2.2 蜗轮蜗杆减速器壳体加工措施 6
2.2.1 孔和平面的加工顺序 6
2.2.2 孔系加工方案选择 6
2.3 蜗轮蜗杆减速器壳体加工定位基准的选择 7
2.3.1 粗基准的选择 7
2.3.2 精基准的选择 7
2.4 蜗轮蜗杆减速器壳体加工主要工序安排 7
2.5 机械加工余量、工序及毛坯的确定 10
2.6确定切削用量及基本工时(机动时间) 11
2.7 时间定额计算及生产安排 26
3 镗?185-?70孔夹具设计 31
3.1 研究原始质料 31
3.2 定位、夹紧方案的选择 31
4.3 切削力及夹紧力的计算 31
3.4 误差分析与计算 33
3.5 定位销选用 34
3.6 夹具设计及操作的简要说明 34
4 钻6-M8底孔的钻床夹具设计 35
4.1 夹具的夹紧装置和定位装置 35
4.2 夹具的导向 36
4.3 切削力及夹紧力的计算 37
4.4 钻孔与工件之间的切屑间隙 39
4.5 钻模板 40
4.6 定位误差的分析 40
4.7 钻套、衬套、钻模板设计与选用 41
4.8 确定夹具体结构和总体结构 43
4.9 夹具设计及操作的简要说明 44
总 结 45
参 考 文 献 46
致谢 47
温馨提示:
1、题目前面的备注【字母数字编号】为本站整理分类的编号,与课题内容无关,请选题时忽视;
2、若题目上备注三维,则表示文件里包含三维源文件,由于三维组成零件数量较多,为保证预览截图的简洁性,本站将三维文件夹进行了打包。三维及CAD预览截图,均为本站电脑打开软件进行截图的,保证能够打开,下载原件超高清,下载后解压即可;
3、本站所有资源如无特殊说明,都需要本地电脑安装Office2007。图纸软件为AutoCAD,PROE,UG,SolidWorks,CATIA等;
4、本站所有图文资料仅供用户学习参考,不作为任何商用或其他用途;
5、本站不保证下载资源的准确性、安全性和完整性, 不包修改,不支持退换,同时也不承担用户因使用这些下载资源对自己和他人造成任何形式的伤害或损失;
6、 下载文件中如有侵权或不适当内容,请与我们联系,我们立即纠正。