

作品包括:
说明书一份,共42页,约13000字
CAD版本图纸,共4张

摘 要
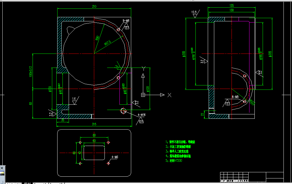
本设计是小型蜗轮减速箱体加工工艺规程及其钻8-M8孔的夹具设计。从零件的结构外型分析,它的外型复杂,且不易加工,因此该零件选用是铸造件。它的主要加工面是孔、端面,在加工中由于加工精度要求比较低,所以只是采用粗加工就可以,在本设计中,先以一个面加工出一个基准面,然后,再以该基准面加工相应的孔。在后面的工序中,均以该孔为定位基准,加工各个螺纹孔。在整个加工过程中,分别采用了铣床,钻床和镗床。并设计了铣端面、镗孔和钻孔的专用夹具。本次夹具设计的是钻M8螺纹孔,采用心轴和挡销定位,实现限制6个自由度,由于该零件的尺寸不大,所需的夹紧力不大。因此,夹紧方式都采用螺母手动夹紧,它的夹紧简单,机构的设计更为方便,满足夹紧要求。
关键词:小型蜗轮减速箱体、铸造、切削用量、夹紧。
目 录
前 言 1
第一章 工艺设计 2
1.1 零件的分析 2
1.1.1 零件的作用 2
1.1.2 零件的工艺分析 2
1.2毛坯的选择与设计及基准的确定 3
1.2.1确定毛坯制造形式 3
1.2.2 基准的选择 3
1.3工艺规程的设计 4
1.3.1 制定工艺路线 4
1.3.2 工艺方案的比较与分析 4
第二章 工序设计 6
2.1工序尺寸与毛坯尺寸加工余量的确定 6
2.2 确定切削用量及时间定额 8
第三章 机床夹具介绍 12
3.1夹具的现状及生产对其提出新的要求 12
3.2 现代夹具的发展方向 13
第四章 机床夹具的定位及夹紧 14
4.1 概述 14
4.1.1 机床夹具的概念 15
4.1.2 机床夹具的组成 15
4.1.3 机床夹具的分类 16
4.1.4 机床夹具在机械加工中的作用 18
4.2工件的装夹方式 19
4.3 基准及其分类 20
4.4 工件的定位 21
4.4.1 工件定位的基本原理 21
4.4.2 常见定位方式及定位元件 22
4.5 工件的夹紧 23
4.5.1夹紧装置的组成及基本要求 23
4.5.2 夹紧力的确定 24
4.5.3典型夹紧结构 25
4.5.4定心夹紧机构 25
第五章 夹具设计 26
5.1 问题的提出 26
5.2 定位基准的选择 26
5.3 切削力及夹紧力计算 28
5.4 定位误差分析 30
5.5夹具精度分析 32
总 结 34
参 考 文 献 36
致 谢 37
温馨提示:
1、题目前面的备注【字母数字编号】为本站整理分类的编号,与课题内容无关,请选题时忽视;
2、若题目上备注三维,则表示文件里包含三维源文件,由于三维组成零件数量较多,为保证预览截图的简洁性,本站将三维文件夹进行了打包。三维及CAD预览截图,均为本站电脑打开软件进行截图的,保证能够打开,下载原件超高清,下载后解压即可;
3、本站所有资源如无特殊说明,都需要本地电脑安装Office2007。图纸软件为AutoCAD,PROE,UG,SolidWorks,CATIA等;
4、本站所有图文资料仅供用户学习参考,不作为任何商用或其他用途;
5、本站不保证下载资源的准确性、安全性和完整性, 不包修改,不支持退换,同时也不承担用户因使用这些下载资源对自己和他人造成任何形式的伤害或损失;
6、 下载文件中如有侵权或不适当内容,请与我们联系,我们立即纠正。